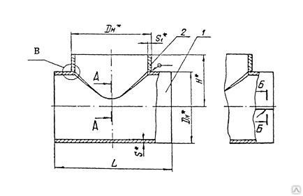
Размеры и вес стальных тройников по ГОСТ 17376
DN — условный проход;
D — наружный диаметр равнопроходных тройников; больший наружный диаметр переходных тройников;
D1 — меньший наружный диаметр переходных тройников;
Т — толщина стенки детали с диаметром D;
Т1 — толщина стенки детали с диаметром D1;
Тв — толщина стенки скругления магистралей и ответвления;
F – длина от центра отверстия ответвления до плоскости торца отверстия магистралей;
Н – высота между плоскостью торца третьего ответвления и центром отверстия магистрали.
r – наружный радиус скругления магистралей и ответвления.
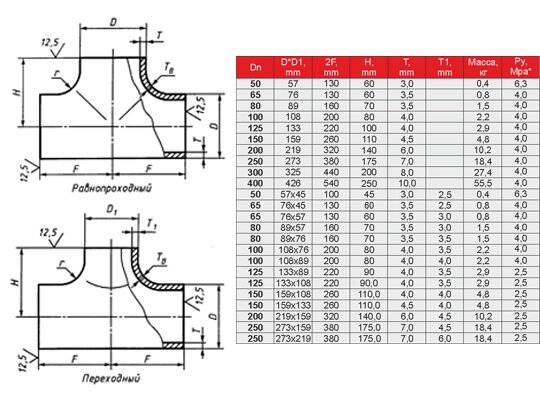
Способы изготовления стальных тройников:
— штампованные тройники;
— литые тройники;
— сварные тройники;
— точеные тройники.
Размеры и вес стальных тройников по ГОСТ 17376. Исполнение 1.| DN | D | T | D1 | T1 | F | H | Вес, кг |
|---|---|---|---|---|---|---|---|
| 15 | 21,3 | 2. 03.2 4.0 | 21.3 | 2.0 3.2 4.0 | 25 | 25 | 0.19 0.30 0.38 |
| 20 | 26.9 | 2.0 3.2 4.0 | 2.0 3.2 4.0 | 29 | 29 | 0.26 0.42 0.52 | |
| 2.0 3.2 4.0 | 26.9 | 2.0 3.2 4.0 | 0.23 0.37 0.46 | ||||
| 25 | 33.7 | 2.3 3.2 4.5 | 21.3 | 2.0 3.2 4.0 | 38 | 38 | 0.25 0.35 0.40 |
| 2.3 3.2 4.5 | 26.9 | 2.0 3.2 4.0 | 0.25 0.35 0.40 | ||||
| 2.3 3.2 4.5 | 33.7 | 2.3 3.2 4.5 | 0.40 0.64 0.80 | ||||
| 32 | 42.4 | 2. 63.6 5.0 | 21.3 | 2.0 3.2 4.0 | 48 | 48 | 0.79 1.10 1.50 |
| 2.6 3.6 5.0 | 26.9 | 2.0 3.2 4.0 | 0.79 1.10 1.50 | ||||
| 2.6 3.6 5.0 | 33.7 | 2.0 3.2 4.0 | 0.79 1.10 1.50 | ||||
| 2.6 3.6 5.0 | 42.4 | 2.6 3.6 5.0 | 0.79 1.10 1.50 | ||||
| 40 | 48.3 | 2.6 3.6 5.0 | 26.9 | 2.0 3.2 4.0 | 57 | 57 | 1.00 1.40 2.00 |
| 2.6 3.6 5.0 | 33.7 | 2.3 3.2 4.5 | 1.00 1.40 2.00 | ||||
| 2.6 3.6 5.0 | 42.4 | 2.6 3.6 5.0 | 1.00 1.40 2.00 | ||||
2. 63.6 5.0 | 48.3 | 2.6 3.6 5.0 | 1.00 1.40 2.00 | ||||
| 50 | 60.3 | 2.9 4.0 5.6 | 33.7 | 2.9 4.0 5.6 | 51 | 1.60 2.20 3.00 | |
| 2.9 4.0 5.6 | 42.4 | 2.6 3.6 5.0 | 57 | 2.9 4.0 5.6 | |||
| 2.9 4.0 5.6 | 48.3 | 2.6 3.6 5.0 | 60 | 2.9 4.0 5.6 | |||
| 2.9 4.0 5.6 | 60.3 | 2.3 3.2 4.5 | 64 | 2.9 4.0 5.6 | |||
| 65 | 76.1 | 2.9 5.0 7.1 | 42.4 | 2.6 3.6 5.0 | 76 | 64 | 3.20 5.50 7.90 |
| 2.9 5.0 7.1 | 48.3 | 2.9 4. 05.6 | 67 | 3.20 5.50 7.90 | |||
| 2.9 5.0 7.1 | 60.3 | 2.6 3.6 5.0 | 70 | 3.20 5.50 7.90 | |||
| 2.9 5.0 7.1 | 76.1 | 2.9 5.0 7.1 | 76 | 3.20 5.50 7.90 | |||
| 80 | 88.9 | 3.2 5.6 8.0 | 48.3 | 2.9 4.0 5.6 | 86 | 73 | 2.20 4.00 5.50 |
| 3.2 5.6 8.0 | 60.3 | 2.9 4.0 5.6 | 76 | 2.20 4.00 5.50 | |||
| 3.2 5.6 8.0 | 76.1 | 2.9 5.0 7.1 | 83 | 2.50 4.50 6.20 | |||
| 3.2 5.6 8.0 | 88.9 | 3.2 5.6 8.0 | 86 | 2.50 4.50 6.20 | |||
| 100 | 114. 3 | 3.6 6.3 8.8 | 60.3 | 2.7 4.0 5.6 | 105 | 89 | 3.80 6.70 10.00 |
| 3.6 6.3 8.8 | 76.1 | 2.9 5.0 7.1 | 95 | 4.50 7.80 10.00 | |||
| 3.6 6.3 8.8 | 88.9 | 3.2 5.6 8.0 | 98 | 4.50 7.80 10.00 | |||
| 3.6 6.3 8.8 | 114.3 | 3.6 6.3 8.8 | 105 | 4.5 7.80 | |||
| 125 | 139.7 | 4.0 6.3 10.00 | 76.1 | 2.9 5.0 7.1 | 124 | 108 | 3.40 5.30 16.00 |
| 4.0 6.3 10.00 | 88.9 | 3.2 5.6 8.0 | 111 | 3.40 5.30 16.00 | |||
| 4.0 6.3 10.00 | 114.3 | 3.6 6.3 8. 8 | 117 | 3.40 5.30 16.00 | |||
| 4.0 6.3 10.00 | 139.7 | 4.0 6.3 10.00 | 124 | 3.40 5.30 16.00 | |||
| 150 | 168.3 | 4.7 7.1 11.0 | 88.9 | 3.2 5.6 8.0 | 143 | 124 | 9.40 16.00 24.00 |
| 4.7 7.1 11.0 | 114.3 | 3.6 6.3 8.8 | 130 | 9.40 16.00 24.00 | |||
| 4.7 7.1 11.0 | 139.7 | 4.0 6.3 10.0 | 137 | 9.40 16.00 24.00 | |||
| 4.7 7.1 11.0 | 168.3 | 4.5 7.1 11.0 | 143 | 9.40 16.00 24.00 | |||
| 200 | 219.1 | 6.3 8.0 12.5 | 114.3 | 3.6 6.3 8.8 | 178 | 156 | 16. 0020.00 43.00 |
| 6.3 8.0 12.5 | 139.7 | 4.0 6.3 10.0 | 162 | 16.00 20.00 43.00 | |||
| 6.3 8.0 12.5 | 168.3 | 4.5 7.1 11.0 | 168 | 16.00 20.00 43.00 | |||
| 6.3 8.0 12.5 | 219.1 | 6.3 8.0 12.5 | 178 | 23.00 29.00 44.00 | |||
| 250 | 273.0 | 6.3 10.0 | 139.7 | 4.0 6.3 | 216 | 191 | 33.0 52.0 |
| 6.3 10.0 | 168.3 | 4.5 7.1 | 194 | 33.0 52.0 | |||
| 6.3 10.0 | 219.1 | 6.3 7.1 | 203 | 33.0 52.0 | |||
| 6.3 10.0 | 273.0 | 6.3 10.0 | 216 | 33.0 52.0 | |||
| 300 | 323. 9 | 7.1 10.0 | 168.3 | 4.5 7.1 | 254 | 219 | 47.0 66.0 |
| 7.1 10.0 | 219.0 | 6.3 8.0 | 229 | 47.0 66.0 | |||
| 7.1 10.0 | 273.0 | 6.3 8.0 | 241 | 47.0 66.0 | |||
| 7.1 10.0 | 323.9 | 7.1 10.0 | 254 | 54.0 77.0 | |||
| 350 | 355.6 | 8.0 11.0 | 219.1 | 6.3 8.0 | 279 | 248 | — |
| 8.0 11.0 | 273.0 | 6.3 10.0 | 257 | ||||
| 8.0 11.0 | 323.9 | 7.1 10.0 | 270 | ||||
| 8.0 11.0 | 355.6 | 8.0 11.0 | 279 | 68.0 94.0 | |||
| 400 | 406. 4 | 8.8 12.5 | 273.0 | 6.3 10.0 | 305 | 283 | — |
| 8.8 12.5 | 323.9 | 7.1 10.0 | 295 | ||||
| 8.8 12.5 | 355.6 | 8.0 10.0 | 305 | — | |||
| 8.8 12.5 | 406.4 | 8.8 12.5 | 88.00 131.00 | ||||
| 450 | 457.0 | 10.0 | 323.9 | 7.1 | 343 | 321 | — |
| 355.6 | 8.0 | 330 | |||||
| 355.6 | 11.0 | ||||||
| 406.4 | 8.8 | ||||||
| 457.0 | 10.0 | 343 | |||||
| 500 | 508.0 | 11.0 | 355.6 | 8.0 | 371 | 356 | — |
406. 4 | 8.8 | — | |||||
| 457.0 | 10.0 | 368 | — | ||||
| 508.0 | 11.0 | 381 | — | ||||
| 600 | 610.0 | 12.5 | 406.4 | 8.8 | 432 | 406 | — |
| 457.0 | 10.0 | 419 | — | ||||
| 508.0 | 11.0 | 432 | — | ||||
| 610.0 | 12.5 | — | |||||
| 700 | 711.0 | — | 711.0 | — | 521 | 521 | — |
| 800 | 813.0 | 813.0 | 597 | 597 | — | ||
| 900 | 914.0 | 914.0 | 673 | 673 | — | ||
| 1000 | 1016.0 | 1016.0 | 749 | 749 | — |
Размеры и вес стальных тройников по ГОСТ 17376. Исполнение 2.| DN | D | T | D1 | T1 | F | H | Вес, кг |
|---|---|---|---|---|---|---|---|
| 40 | 45 | 2.5 4.0 5.0 | — | — | 40 | 40 | 0.3 0.4 0.4 |
| 50 | 57 | 3.0 4.0 5.0 | 45 | 2.5 3.0 4.0 | 50 | 45 | 0.4 0.6 0.7 |
| 3.0 4.0 5.0 | — | — | 0.4 0.6 0.7 | ||||
| 65 | 76 | 3. 56.0 7.0 | 45 | 2.5 4.0 5.0 | 65 | 60 | 0.8 1.4 1.6 |
| 3.5 6.0 7.0 | 57 | 3.0 5.0 5.5 | 0.8 1.4 1.6 | ||||
| 3.5 6.0 7.0 | — | — | 0.8 1.4 1.6 | ||||
| 80 | 89 | 3.5 6.0 8.0 | 57 | 3.0 4.0 5.5 | 80 | 70 | 1.5 2.0 2.7 |
| 3.5 6.0 8.0 | 76 | 3.5 6.0 7.0 | 1.5 2.0 2.7 | ||||
| 3.5 6.0 8.0 | — | — | 1.5 2.0 2.7 | ||||
| 100 | 108 | 4.0 6.0 8.0 9.0 | 76 | 3.5 5.0 6.0 7.0 | 100 | 80 | 2. 23.3 4.5 4.9 |
| 4.0 6.0 8.0 9.0 | 89 | 4.0 6.0 8.0 8.0 | 2.2 3.3 4.5 4.9 | ||||
| 4.0 6.0 8.0 9.0 | — | — | 2.2 3.3 4.5 4.9 | ||||
| 125 | 133 | 4.0 6.0 8.0 10.0 12.0 | 89 | 3.5 5.0 6.0 8.0 9.0 | 110 | 95 | 2.9 4.1 5.9 6.8 8.0 |
| 4.0 6.0 8.0 10.0 12.0 | 108 | 4.0 5.0 6.0 9.0 10.0 | 2.9 4.1 5.9 6.8 8.0 | ||||
| 4.0 6.0 8.0 10.0 12.0 | — | — | 2.9 4.1 5.9 6.8 8.0 | ||||
| 150 | 159 | 4.5 6.0 8.0 10.0 12.0 | 108 | 4.0 5.0 6. 09.0 10.0 | 130 | 110 | 4.8 6.6 9.0 10.1 12.2 |
| 4.5 6.0 8.0 10.0 12.0 | 133 | 4.0 5.0 6.0 10.0 12.0 | 4.8 6.6 9.0 10.1 12.2 | ||||
| 4.5 6.0 8.0 10.0 12.0 | — | — | 4.8 6.6 9.0 10.1 12.2 | ||||
| 200 | 219 | 6.0 8.0 10.0 12.0 16.0 | 133 | 5.0 6.0 8.0 10.0 16.0 | 160 | 140 | 10.2 13.8 16.8 19.9 26.6 |
| 6.0 8.0 10.0 12.0 16.0 | 159 | 5.0 6.0 8.0 11.0 12.0 | 10.2 13.8 16.8 19.9 26.6 | ||||
| 6.0 8.0 10.0 12.0 16.0 | — | — | 10.2 13.8 16.8 19. 926.6 | ||||
| 250 | 273 | 7.0 10.0 12.0 16.0 18.0 | 159 | 4.5 6.0 8.0 11.0 12.0 | 190 | 175 | 18.4 26.0 31.2 41.6 46.8 |
| 7.0 10.0 12.0 16.0 18.0 | 219 | 6.0 8.0 10.0 12.0 16.0 | 18.4 26.0 31.2 41.6 46.8 | ||||
| 7.0 10.0 12.0 16.0 18.0 | — | — | 18.4 26.0 31.2 41.6 46.8 | ||||
| 300 | 325 | 8.0 10.0 12.0 16.0 22.0 | 219 | 6.0 8.0 10.0 12.0 16.0 | 220 | 200 | 27.4 34.2 41.1 54.8 75.3 |
| 8.0 10.0 12.0 16.0 22.0 | 273 | 7.0 10.0 12.0 16. 018.0 | 27.4 34.2 41.1 54.8 75.3 | ||||
| 8.0 10.0 12.0 16.0 22.0 | — | — | 27.4 34.2 41.1 54.8 75.3 | ||||
| 350 | 377 | 10.0 12.0 16.0 20.0 | 273 | 7.0 10.0 12.0 16.0 | 240 | 225 | 46.0 55.2 73.6 92.0 |
| 10.0 12.0 16.0 20.0 | 325 | 8.0 10.0 16.0 18.0 | 46.0 55.2 73.6 92.0 | ||||
| 10.0 12.0 16.0 20.0 | — | — | 46.0 55.2 73.6 92.0 | ||||
| 400 | 426 | 8.0 10.0 12.0 16.0 | 325 | 8.0 10.0 12.0 16.0 | 270 | 250 | 55.5 66.6 88.8 100.0 |
10. 012.0 16.0 18.0 | 377 | 10.0 12.0 16.0 18.0 | 55.5 66.6 88.8 100.0 | ||||
| 10.0 12.0 16.0 18.0 | — | — | 55.5 66.6 88.8 100.0 |
Источник
Трубопровод
16 декабря 2019 г
Назад
Вопрос
Тройники стальные ГОСТ 17376-2001 — САНТЕХКОМ
КаталогТрубопроводы Тройники стальные ГОСТ 17376-2001
1. Область применения
Настоящий стандарт распространяется на бесшовные приварные равнопроходные и переходные тройники из углеродистой и низколегированной стали.
Область применения тройников — в соответствии с разделом 1 ГОСТ 17380.
Требования пункта 4.1 и раздела 5 являются обязательными, остальные требования — рекомендательными.
2. Нормативные ссылки
В настоящем стандарте использована ссылка на ГОСТ 17380-2001. Детали трубопроводов бесшовные приварные из углеродистой и низколегированной стали. Общие технические условия.
3. Определения, обозначения и сокращения
Термины, их определения, обозначения и сокращения — по ГОСТ 17380.
4. Конструкция и размеры
4.1. Конструкция и размеры тройников должны соответствовать указанным на рисунке 1 и в таблицах 1 и 2.
Рисунок 1
Таблица 1 — Тройники исполнения 1 (Размеры в миллиметрах)
| DN | D | T | D1 | T1 | F | H | Масса, кг |
| 15 | 21,3 | 2 | 21,3 | 2 | 25 | 25 | 0,19 |
| 3,2 | 3,2 | 0,3 | |||||
| 4 | 4 | 0,38 | |||||
| 20 | 26,9 | 2 | 2 | 29 | 29 | 0,26 | |
| 3,2 | 3,2 | 0,42 | |||||
| 4 | 4 | 0,52 | |||||
| 2 | 26,9 | 2 | 0,23 | ||||
| 3,2 | 3,2 | 0,37 | |||||
| 4 | 4 | 0,46 | |||||
| 25 | 33,7 | 2,3 | 21,3 | 2 | 38 | 38 | 0,25 |
| 3,2 | 3,2 | 0,35 | |||||
| 4,5 | 4 | 0,4 | |||||
| 2,3 | 26,9 | 2 | 0,25 | ||||
| 3,2 | 3,2 | 0,35 | |||||
| 4,5 | 4 | 0,4 | |||||
| 2,3 | 33,7 | 2,3 | 0,4 | ||||
| 3,2 | 3,2 | 0,64 | |||||
| 4,5 | 4,5 | 0,8 | |||||
| 32 | 42,4 | 2,6 | 21,3 | 2 | 48 | 48 | 0,79 |
| 3,6 | 3,2 | 1,1 | |||||
| 5 | 4 | 1,5 | |||||
| 2,6 | 26,9 | 2 | 0,79 | ||||
| 3,6 | 3,2 | 1,1 | |||||
| 5 | 4 | 1,5 | |||||
| 2,6 | 33,7 | 2,3 | 0,79 | ||||
| 3,6 | 3,2 | 1,1 | |||||
| 5 | 4 | 1,5 | |||||
| 2,6 | 42,4 | 2,6 | 0,79 | ||||
| 3,6 | 3,6 | 1,1 | |||||
| 5 | 5 | 1,5 | |||||
| 40 | 48,3 | 2,6 | 26,9 | 2 | 57 | 57 | 1 |
| 3,6 | 3,2 | 1,4 | |||||
| 5 | 4 | 2 | |||||
| 2,6 | 33,7 | 2,3 | 1 | ||||
| 3,6 | 3,2 | 1,4 | |||||
| 5 | 4,5 | 2 | |||||
| 2,6 | 42,4 | 2,6 | 1 | ||||
| 3,6 | 3,6 | 1,4 | |||||
| 5 | 5 | 2 | |||||
| 2,6 | 48,3 | 2,6 | 1 | ||||
| 3,6 | 3,6 | 1,4 | |||||
| 5 | 5 | 2 | |||||
| 50 | 60,3 | 2,9 | 33,7 | 2,9 | 64 | 51 | 1,6 |
| 4 | 4 | 2,2 | |||||
| 5,6 | 5,6 | 3 | |||||
| 2,9 | 42,4 | 2,6 | 57 | 1,6 | |||
| 4 | 3,6 | 2,2 | |||||
| 5,6 | 5 | 3 | |||||
| 2,9 | 48,3 | 2,6 | 60 | 1,6 | |||
| 4 | 3,6 | 2,2 | |||||
| 5,6 | 5 | 3 | |||||
| 2,9 | 60,3 | 2,3 | 64 | 1,6 | |||
| 4 | 3,2 | 2,2 | |||||
| 5,6 | 4,5 | 3 | |||||
| 65 | 76,1 | 2,9 | 42,4 | 2,6 | 76 | 64 | 3,2 |
| 5 | 3,6 | 5,5 | |||||
| 7,1 | 5 | 7,9 | |||||
| 2,9 | 48,3 | 2,9 | 67 | 3,2 | |||
| 5 | 4 | 5,5 | |||||
| 7,1 | 5,6 | 7,9 | |||||
| 2,9 | 60,3 | 2,6 | 70 | 3,2 | |||
| 5 | 3,6 | 5,5 | |||||
| 7,1 | 5 | 7,9 | |||||
| 2,9 | 76,1 | 2,9 | 76 | 3,2 | |||
| 5 | 5 | 5,5 | |||||
| 7,1 | 7,1 | 7,9 | |||||
| 80 | 88,9 | 3,2 | 48,3 | 2,9 | 86 | 73 | 2,2 |
| 5,6 | 4 | 4 | |||||
| 8 | 5,6 | 5,5 | |||||
| 3,2 | 60,3 | 2,9 | 76 | 2,2 | |||
| 5,6 | 4 | 4 | |||||
| 8 | 5,6 | 5,5 | |||||
| 3,2 | 76,1 | 2,9 | 83 | 2,5 | |||
| 5,6 | 5 | 4,5 | |||||
| 8 | 7,1 | 6,2 | |||||
| 3,2 | 88,9 | 3,2 | 86 | 2,5 | |||
| 5,6 | 5,6 | 4,5 | |||||
| 8 | 8 | 6,2 | |||||
| 100 | 114,3 | 3,6 | 60,3 | 2,7 | 105 | 89 | 3,8 |
| 6,3 | 4 | 6,7 | |||||
| 8,8 | 5,6 | 10 | |||||
| 3,6 | 76,1 | 2,9 | 95 | 4,5 | |||
| 6,3 | 5 | 7,8 | |||||
| 8,8 | 7,1 | 10 | |||||
| 3,6 | 88,9 | 3,2 | 98 | 4,5 | |||
| 6,3 | 5,6 | 7,8 | |||||
| 8,8 | 8 | 10 | |||||
| 3,6 | 114,3 | 3,6 | 105 | 4,5 | |||
| 6,3 | 6,3 | 7,8 | |||||
| 8,8 | 8,8 | 10 | |||||
| 125 | 139,7 | 4 | 76,1 | 2,9 | 124 | 108 | 3,4 |
| 6,3 | 5 | 5,3 | |||||
| 10 | 7,1 | 16 | |||||
| 4 | 88,9 | 3,2 | 111 | 3,4 | |||
| 6,3 | 5,6 | 5,3 | |||||
| 10 | 8 | 16 | |||||
| 4 | 114,3 | 3,6 | 117 | 3,4 | |||
| 6,3 | 6,3 | 5,3 | |||||
| 10 | 8,8 | 16 | |||||
| 4 | 139,7 | 4 | 124 | 3,4 | |||
| 6,3 | 6,3 | 5,3 | |||||
| 10 | 10 | 16 | |||||
| 150 | 168,3 | 4,5 | 88,9 | 3,2 | 143 | 124 | 9,4 |
| 7,1 | 5,6 | 16 | |||||
| 11 | 8 | 24 | |||||
| 4,5 | 114,3 | 3,6 | 130 | 9,4 | |||
| 7,1 | 6,3 | 16 | |||||
| 11 | 8,8 | 24 | |||||
| 4,5 | 139,7 | 4 | 137 | 9,4 | |||
| 7,1 | 6,3 | 16 | |||||
| 11 | 10 | 24 | |||||
| 4,5 | 168,3 | 4,5 | 143 | 9,4 | |||
| 7,1 | 7,1 | 16 | |||||
| 11 | 11 | 24 | |||||
| 200 | 219,1 | 6,3 | 114,3 | 3,6 | 178 | 156 | 16 |
| 8 | 6,3 | 20 | |||||
| 12,5 | 8,8 | 43 | |||||
| 6,3 | 139,7 | 4 | 162 | 16 | |||
| 8 | 6,3 | 20 | |||||
| 12,5 | 10 | 43 | |||||
| 6,3 | 168,3 | 4,5 | 168 | 16 | |||
| 8 | 7,1 | 20 | |||||
| 12,5 | 11 | 43 | |||||
| 6,3 | 219,1 | 6,3 | 178 | 23 | |||
| 8 | 8 | 29 | |||||
| 12,5 | 12,5 | 44 | |||||
| 250 | 273 | 6,3 | 139,7 | 4 | 216 | 191 | 33 |
| 10 | 6,3 | 52 | |||||
| 6,3 | 168,3 | 4,5 | 194 | 33 | |||
| 10 | 7,1 | 52 | |||||
| 6,3 | 219,1 | 6,3 | 203 | 33 | |||
| 10 | 7,1 | 52 | |||||
| 6,3 | 273 | 6,3 | 216 | 33 | |||
| 10 | 10 | 52 | |||||
| 300 | 323,9 | 7,1 | 168,3 | 4,5 | 254 | 219 | 47 |
| 10 | 7,1 | 66 | |||||
| 7,1 | 219 | 6,3 | 229 | 47 | |||
| 10 | 8 | 66 | |||||
| 7,1 | 273 | 6,3 | 241 | 47 | |||
| 10 | 8 | 66 | |||||
| 7,1 | 323,9 | 7,1 | 254 | 54 | |||
| 10 | 10 | 77 | |||||
| 350 | 355,6 | 8 | 219,1 | 6,3 | 279 | 248 | — |
| 11 | 8 | ||||||
| 8 | 273 | 6,3 | 257 | ||||
| 11 | 10 | ||||||
| 8 | 323,9 | 7,1 | 270 | ||||
| 11 | 10 | ||||||
| 8 | 355,6 | 8 | 279 | 68 | |||
| 11 | 11 | 94 | |||||
| 400 | 406,4 | 8,8 | 273 | 6,3 | 305 | 283 | — |
| 12,5 | 10 | ||||||
| 8,8 | 323,9 | 7,1 | 295 | ||||
| 12,5 | 10 | ||||||
| 8,8 | 355,6 | 8 | 305 | — | |||
| 12,5 | 10 | ||||||
| 8,8 | 406,4 | 8,8 | 88 | ||||
| 12,5 | 12,5 | 131 | |||||
| 450 | 457 | 10 | 323,9 | 7,1 | 343 | 321 | — |
| 355,6 | 8 | 330 | |||||
| 355,6 | 11 | ||||||
| 406,4 | 8,8 | ||||||
| 457 | 10 | 343 | |||||
| 500 | 508 | 11 | 355,6 | 8 | 381 | — | |
| 406,4 | 8,8 | 356 | |||||
| 457 | 10 | 368 | |||||
| 508 | 11 | 381 | |||||
| 600 | 610 | 12,5 | 406,4 | 8,8 | 432 | 406 | |
| 457 | 10 | 419 | |||||
| 508 | 11 | 432 | |||||
| 610 | 12,5 | ||||||
| 700 | 711 | — | 711 | — | 521 | 521 | |
| 800 | 813 | 813 | 597 | 597 | |||
| 900 | 914 | 914 | 673 | 673 | |||
| 1000 | 1016 | 1016 | 749 | 749 |
Примечания — Масса приведена для справок.
Таблица 2 — Тройники исполнения 2 (Размеры в миллиметрах)
| DN | D | T | D1 | T1 | F | H | r, не менее | Масса, кг |
| 40 | 45 | 2,5 | — | — | 40 | 40 | 5 | 0,3 |
| 4 | 0,4 | |||||||
| 5 | 0,4 | |||||||
| 50 | 57 | 3 | 45 | 2,5 | 50 | 45 | 0,4 | |
| 4 | 3 | 0,6 | ||||||
| 5 | 4 | 0,7 | ||||||
| 3 | — | — | 0,4 | |||||
| 4 | 0,6 | |||||||
| 5 | 0,7 | |||||||
| 65 | 76 | 3,5 | 45 | 2,5 | 65 | 60 | 0,8 | |
| 6 | 4 | 1,4 | ||||||
| 7 | 5 | 1,6 | ||||||
| 3,5 | 57 | 3 | 0,8 | |||||
| 6 | 5 | 1,4 | ||||||
| 7 | 5,5 | 1,6 | ||||||
| 3,5 | — | — | 0,8 | |||||
| 6 | 1,4 | |||||||
| 7 | 1,6 | |||||||
| 80 | 89 | 3,5 | 57 | 3 | 80 | 70 | 5 | 1,5 |
| 6 | 4 | 2 | ||||||
| 8 | 5,5 | 2,7 | ||||||
| 3,5 | 76 | 3,5 | 1,5 | |||||
| 6 | 6 | 2 | ||||||
| 8 | 7 | 2,7 | ||||||
| 3,5 | — | — | 1,5 | |||||
| 6 | 2 | |||||||
| 8 | 2,7 | |||||||
| 100 | 108 | 4 | 76 | 3,5 | 100 | 80 | 2,2 | |
| 6 | 5 | 3,3 | ||||||
| 8 | 6 | 4,5 | ||||||
| 9 | 7 | 4,9 | ||||||
| 4 | 89 | 4 | 2,2 | |||||
| 6 | 6 | 3,3 | ||||||
| 8 | 8 | 4,5 | ||||||
| 9 | 8 | 4,9 | ||||||
| 4 | — | — | 2,2 | |||||
| 6 | 3,3 | |||||||
| 8 | 4,5 | |||||||
| 9 | 4,9 | |||||||
| 125 | 133 | 4 | 89 | 3,5 | 110 | 95 | 6 | 2,9 |
| 6 | 5 | 4,1 | ||||||
| 8 | 6 | 5,9 | ||||||
| 10 | 8 | 6,8 | ||||||
| 12 | 9 | 8 | ||||||
| 4 | 108 | 4 | 2,9 | |||||
| 6 | 5 | 4,1 | ||||||
| 8 | 6 | 5,9 | ||||||
| 10 | 9 | 6,8 | ||||||
| 12 | 10 | 8 | ||||||
| 4 | — | — | 2,9 | |||||
| 6 | 4,1 | |||||||
| 8 | 5,9 | |||||||
| 10 | 6,8 | |||||||
| 12 | 8 | |||||||
| 150 | 159 | 4,5 | 108 | 4 | 130 | 110 | 8 | 4,8 |
| 6 | 5 | 6,6 | ||||||
| 8 | 6 | 9 | ||||||
| 10 | 9 | 10,1 | ||||||
| 12 | 10 | 12,2 | ||||||
| 4,5 | 133 | 4 | 4,8 | |||||
| 6 | 5 | 6,6 | ||||||
| 8 | 6 | 9 | ||||||
| 10 | 10 | 10,1 | ||||||
| 12 | 12 | 12,2 | ||||||
| 4,5 | — | — | 4,8 | |||||
| 6 | 6,6 | |||||||
| 8 | 9 | |||||||
| 10 | 10,1 | |||||||
| 12 | 12,2 | |||||||
| 200 | 219 | 6 | 133 | 5 | 160 | 140 | 10 | 10,2 |
| 8 | 6 | 13,8 | ||||||
| 10 | 8 | 16,8 | ||||||
| 12 | 10 | 19,9 | ||||||
| 16 | 16 | 26,6 | ||||||
| 6 | 159 | 6 | 10,2 | |||||
| 8 | 6 | 13,8 | ||||||
| 10 | 8 | 16,8 | ||||||
| 12 | 11 | 19,9 | ||||||
| 16 | 12 | 26,6 | ||||||
| 6 | — | — | 10,2 | |||||
| 8 | 13,8 | |||||||
| 10 | 16,8 | |||||||
| 12 | 19,9 | |||||||
| 16 | 26,6 | |||||||
| 250 | 273 | 7 | 159 | 4,5 | 190 | 175 | 12 | 18,4 |
| 10 | 6 | 26 | ||||||
| 12 | 8 | 31,2 | ||||||
| 16 | 11 | 41,6 | ||||||
| 18 | 12 | 46,8 | ||||||
| 7 | 219 | 6 | 18,4 | |||||
| 10 | 8 | 26 | ||||||
| 12 | 10 | 31,2 | ||||||
| 16 | 12 | 41,6 | ||||||
| 18 | 16 | 46,8 | ||||||
| 7 | — | — | 18,4 | |||||
| 10 | 26 | |||||||
| 12 | 31,2 | |||||||
| 16 | 41,6 | |||||||
| 18 | 46,8 | |||||||
| 300 | 325 | 8 | 219 | 6 | 220 | 200 | 15 | 27,4 |
| 10 | 8 | 34,2 | ||||||
| 12 | 10 | 41,1 | ||||||
| 16 | 12 | 54,8 | ||||||
| 22 | 16 | 75,3 | ||||||
| 8 | 273 | 7 | 27,4 | |||||
| 10 | 10 | 34,2 | ||||||
| 12 | 12 | 41,1 | ||||||
| 16 | 16 | 54,8 | ||||||
| 22 | 18 | 75,3 | ||||||
| 8 | — | — | 27,4 | |||||
| 10 | 34,2 | |||||||
| 12 | 41,1 | |||||||
| 16 | 54,8 | |||||||
| 22 | 75,3 | |||||||
| 350 | 377 | 10 | 273 | 7 | 240 | 225 | 15 | 46 |
| 12 | 10 | 55,2 | ||||||
| 16 | 12 | 73,6 | ||||||
| 20 | 16 | 92 | ||||||
| 10 | 325 | 8 | 46 | |||||
| 12 | 10 | 55,2 | ||||||
| 16 | 16 | 73,6 | ||||||
| 20 | 18 | 92 | ||||||
| 10 | — | — | 46 | |||||
| 12 | 55,2 | |||||||
| 16 | 73,6 | |||||||
| 20 | 92 | |||||||
| 400 | 426 | 10 | 325 | 8 | 270 | 250 | 18 | 55,5 |
| 12 | 10 | 66,6 | ||||||
| 16 | 12 | 88,8 | ||||||
| 18 | 16 | 100 | ||||||
| 10 | 377 | 10 | 55,5 | |||||
| 12 | 12 | 66,6 | ||||||
| 16 | 16 | 88,8 | ||||||
| 18 | 18 | 100 | ||||||
| 10 | — | — | 55,5 | |||||
| 12 | 66,6 | |||||||
| 16 | 88,8 | |||||||
| 18 | 100 |
Примечания
1.
Масса приведена для справок.
2. Масса соответствует тройникам, изготовляемым из труб с размерами D и T гидроштамповкой. При изготовлении другими способами и (или) из других заготовок массу устанавливает изготовитель.
Примеры условных обозначений:
— переходного тройника исполнения 1, D = 60,3 мм, Т = 2,9 мм, D1 = 48,3 мм, Т1 = 2,6 мм из стали марки TS9:
Тройник 1-60,3 ´ 2,9-48,3 ´ 2,6-TS9 ГОСТ 17376-2001
— равнопроходного тройника исполнения 2, D = 76 мм, Т = 7,0 мм из стали марки 20:
Тройник 76 ´ 7 ГОСТ 17376-2001
— то же, с Тв = 10 мм, из стали 09Г2С для трубопроводов, подконтрольных органам надзора:
Тройник П 76 ´ 7/10-09Г2С ГОСТ 17376-2001
4.2. По согласованию между потребителем (заказчиком) и изготовителем допускается изготавливать тройники других размеров.
4.3. Допускается изготовление тройников с увеличенной толщиной стенки Тв в зоне сопряжения магистрали и ответвления и других неторцевых сечений.
5. Технические условия
Технические условия — по ГОСТ 17380.
таблица веса стального тройника ГОСТ 17376-2001
Опубликовано 2021-08-27
Поделиться статьей
- Масса типовых тройников ГОСТ 17376-2001
- Размеры и вес стальных тройников по ГОСТ 17376. Исполнение 1
- Размеры и вес стальных тройников по ГОСТ 17376. Исполнение 2
Масса типовых тройников ГОСТ 17376-2001
Масса тройников ГОСТ 17376-2001:
Стальные тройники имеют массу от 0.19 (кг) до 130 (кг), в зависимости от условного прохода.
Масса тройников ГОСТ 6942-98:
Чугунные канализационные тройники прямого типа весят от 2.4 (кг) до 10 (кг), а тройники косого типа — от 2.8 (кг) до 13 (кг).
Масса тройников ГОСТ 5525-88:
Масса чугунных фланцевых тройников колеблется от 3.
3 (кг) до 167 (кг).
Масса тройников ГОСТ 22689.2-89:
Полипропиленовые тройники весят от 0.12 (кг) до 5.6 (кг) в зависимости от конструкции и условного прохода.
Размеры и вес стальных тройников по ГОСТ 17376. Исполнение 1
| DN | D | T | D1 | T1 | F | H | Вес, кг |
| 15 | 21,3 | 2.0 3.2 4.0 | 21.3 | 2.0 3.2 4.0 | 25 | 25 | 0.19 0.30 0.38 |
| 20 | 26.9 | 2.0 3.2 4.0 | 2.0 3.2 4.0 | 29 | 29 | 0. 260.42 0.52 | |
| 2.0 3.2 4.0 | 26.9 | 2.0 3.2 4.0 | 0.23 0.37 0.46 | ||||
| 25 | 33.7 | 2.3 3.2 4.5 | 21.3 | 2.0 3.2 4.0 | 38 | 38 | 0.25 0.35 0.40 |
| 2.3 3.2 4.5 | 26.9 | 2.0 3.2 4.0 | 0.25 0.35 0.40 | ||||
| 2.3 3.2 4.5 | 33.7 | 2.3 3.2 4.5 | 0.40 0.64 0.80 | ||||
| 32 | 42.4 | 2.6 3.6 5.0 | 21.3 | 2.0 3.2 4.0 | 48 | 48 | 0.79 1.10 1.50 |
| 2.6 3.6 5.0 | 26.9 | 2.0 3.2 4.0 | 0.79 1.10 1.50 | ||||
2. 63.6 5.0 | 33.7 | 2.0 3.2 4.0 | 0.79 1.10 1.50 | ||||
| 2.6 3.6 5.0 | 42.4 | 2.6 3.6 5.0 | 0.79 1.10 1.50 | ||||
| 40 | 48.3 | 2.6 3.6 5.0 | 26.9 | 2.0 3.2 4.0 | 57 | 57 | 1.00 1.40 2.00 |
| 2.6 3.6 5.0 | 33.7 | 2.3 3.2 4.5 | 1.00 1.40 2.00 | ||||
| 2.6 3.6 5.0 | 42.4 | 2.6 3.6 5.0 | 1.00 1.40 2.00 | ||||
| 2.6 3.6 5.0 | 48.3 | 2.6 3.6 5.0 | 1.00 1.40 2.00 | ||||
| 50 | 60.3 | 2.9 4.0 5.6 | 33.7 | 2.9 4.0 5.6 | 64 | 51 | 1. 602.20 3.00 |
| 2.9 4.0 5.6 | 42.4 | 2.6 3.6 5.0 | 57 | 2.9 4.0 5.6 | |||
| 2.9 4.0 5.6 | 48.3 | 2.6 3.6 5.0 | 60 | 2.9 4.0 5.6 | |||
| 2.9 4.0 5.6 | 60.3 | 2.3 3.2 4.5 | 64 | 2.9 4.0 5.6 | |||
| 65 | 76.1 | 2.9 5.0 7.1 | 42.4 | 2.6 3.6 5.0 | 76 | 64 | 3.20 5.50 7.90 |
| 2.9 5.0 7.1 | 48.3 | 2.9 4.0 5.6 | 67 | 3.20 5.50 7.90 | |||
| 2.9 5.0 7.1 | 60.3 | 2.6 3.6 5.0 | 70 | 3.20 5.50 7.90 | |||
| 2.9 5.0 7.1 | 76.1 | 2. 95.0 7.1 | 76 | 3.20 5.50 7.90 | |||
| 80 | 88.9 | 3.2 5.6 8.0 | 48.3 | 2.9 4.0 5.6 | 86 | 73 | 2.20 4.00 5.50 |
| 3.2 5.6 8.0 | 60.3 | 2.9 4.0 5.6 | 76 | 2.20 4.00 5.50 | |||
| 3.2 5.6 8.0 | 76.1 | 2.9 5.0 7.1 | 83 | 2.50 4.50 6.20 | |||
| 3.2 5.6 8.0 | 88.9 | 3.2 5.6 8.0 | 86 | 2.50 4.50 6.20 | |||
| 100 | 114.3 | 3.6 6.3 8.8 | 60.3 | 2.7 4.0 5.6 | 105 | 89 | 3.80 6.70 10.00 |
| 3.6 6.3 8.8 | 76.1 | 2. 5.0 7.1 | 95 | 4.50 7.80 10.00 | |||
| 3.6 6.3 8.8 | 88.9 | 3.2 5.6 8.0 | 98 | 4.50 7.80 10.00 | |||
| 3.6 6.3 8.8 | 114.3 | 3.6 6.3 8.8 | 105 | 4.5 7.80 | |||
| 125 | 139.7 | 4.0 6.3 10.00 | 76.1 | 2.9 5.0 7.1 | 124 | 108 | 3.40 5.30 16.00 |
| 4.0 6.3 10.00 | 88.9 | 3.2 5.6 8.0 | 111 | 3.40 5.30 16.00 | |||
| 4.0 6.3 10.00 | 114.3 | 3.6 6.3 8.8 | 117 | 3.40 5.30 16.00 | |||
| 4.0 6.3 10.00 | 139.7 | 4.0 6.3 10.00 | 124 | 3.40 5.30 16. 00 | |||
| 150 | 168.3 | 4.7 7.1 11.0 | 88.9 | 3.2 5.6 8.0 | 143 | 124 | 9.40 16.00 24.00 |
| 4.7 7.1 11.0 | 114.3 | 3.6 6.3 8.8 | 130 | 9.40 16.00 24.00 | |||
| 4.7 7.1 11.0 | 139.7 | 4.0 6.3 10.0 | 137 | 9.40 16.00 24.00 | |||
| 4.7 7.1 11.0 | 168.3 | 4.5 7.1 11.0 | 143 | 9.40 16.00 24.00 | |||
| 200 | 219.1 | 6.3 8.0 12.5 | 114.3 | 3.6 6.3 8.8 | 178 | 156 | 16.00 20.00 43.00 |
| 6.3 8.0 12.5 | 139.7 | 4.0 6.3 10.0 | 162 | 16. 0020.00 43.00 | |||
| 6.3 8.0 12.5 | 168.3 | 4.5 7.1 11.0 | 168 | 16.00 20.00 43.00 | |||
| 6.3 8.0 12.5 | 219.1 | 6.3 8.0 12.5 | 178 | 23.00 29.00 44.00 | |||
| 250 | 273.0 | 6.3 10.0 | 139.7 | 4.0 6.3 | 216 | 191 | 33.0 52.0 |
| 6.3 10.0 | 168.3 | 4.5 7.1 | 194 | 33.0 52.0 | |||
| 6.3 10.0 | 219.1 | 6.3 7.1 | 203 | 33.0 52.0 | |||
| 6.3 10.0 | 273.0 | 6.3 10.0 | 216 | 33.0 52.0 | |||
| 300 | 323.9 | 7.1 10.0 | 168.3 | 4.5 7. 1 | 254 | 219 | 47.0 66.0 |
| 7.1 10.0 | 219.0 | 6.3 8.0 | 229 | 47.0 66.0 | |||
| 7.1 10.0 | 273.0 | 6.3 8.0 | 241 | 47.0 66.0 | |||
| 7.1 10.0 | 323.9 | 7.1 10.0 | 254 | 54.0 77.0 | |||
| 350 | 355.6 | 8.0 11.0 | 219.1 | 6.3 8.0 | 279 | 248 | — |
| 8.0 11.0 | 273.0 | 6.3 10.0 | 257 | ||||
| 8.0 11.0 | 323.9 | 7.1 10.0 | 270 | ||||
| 8.0 11.0 | 355.6 | 8.0 11.0 | 279 | 68.0 94.0 | |||
| 400 | 406.4 | 8. 812.5 | 273.0 | 6.3 10.0 | 305 | 283 | — |
| 8.8 12.5 | 323.9 | 7.1 10.0 | 295 | ||||
| 8.8 12.5 | 355.6 | 8.0 10.0 | 305 | — | |||
| 8.8 12.5 | 406.4 | 8.8 12.5 | 88.00 131.00 | ||||
| 450 | 457.0 | 10.0 | 323.9 | 7.1 | 343 | 321 | — |
| 355.6 | 8.0 | 330 | |||||
| 355.6 | 11.0 | ||||||
| 406.4 | 8.8 | ||||||
| 457.0 | 10.0 | 343 | |||||
| 500 | 508.0 | 11.0 | 355.6 | 8.0 | 371 | 356 | — |
406. 4 | 8.8 | — | |||||
| 457.0 | 10.0 | 368 | — | ||||
| 508.0 | 11.0 | 381 | — | ||||
| 600 | 610.0 | 12.5 | 406.4 | 8.8 | 432 | 406 | — |
| 457.0 | 10.0 | 419 | — | ||||
| 508.0 | 11.0 | 432 | — | ||||
| 610.0 | 12.5 | — | |||||
| 700 | 711.0 | — | 711.0 | — | 521 | 521 | — |
| 800 | 813.0 | 813.0 | 597 | 597 | — | ||
| 900 | 914.0 | 914.0 | 673 | 673 | — | ||
| 1000 | 1016. 0 | 1016.0 | 749 | 749 | — |
Размеры и вес стальных тройников по ГОСТ 17376. Исполнение 2
| DN | D | T | D1 | T1 | F | H | Вес, кг |
| 40 | 45 | 2.5 4.0 5.0 | — | — | 40 | 40 | 0.3 0.4 0.4 |
| 50 | 57 | 3.0 4.0 5.0 | 45 | 2.5 3.0 4.0 | 50 | 45 | 0.4 0.6 0.7 |
| 3.0 4.0 5.0 | — | — | 0.4 0.6 0. 7 | ||||
| 65 | 76 | 3.5 6.0 7.0 | 45 | 2.5 4.0 5.0 | 65 | 60 | 0.8 1.4 1.6 |
| 3.5 6.0 7.0 | 57 | 3.0 5.0 5.5 | 0.8 1.4 1.6 | ||||
| 3.5 6.0 7.0 | — | — | 0.8 1.4 1.6 | ||||
| 80 | 89 | 3.5 6.0 8.0 | 57 | 3.0 4.0 5.5 | 80 | 70 | 1.5 2.0 2.7 |
| 3.5 6.0 8.0 | 76 | 3.5 6.0 7.0 | 1.5 2.0 2.7 | ||||
| 3.5 6.0 8.0 | — | — | 1.5 2.0 2.7 | ||||
| 100 | 108 | 4.0 6.0 8.0 9.0 | 76 | 3. 55.0 6.0 7.0 | 100 | 80 | 2.2 3.3 4.5 4.9 |
| 4.0 6.0 8.0 9.0 | 89 | 4.0 6.0 8.0 8.0 | 2.2 3.3 4.5 4.9 | ||||
| 4.0 6.0 8.0 9.0 | — | — | 2.2 3.3 4.5 4.9 | ||||
| 125 | 133 | 4.0 6.0 8.0 10.0 12.0 | 89 | 3.5 5.0 6.0 8.0 9.0 | 110 | 95 | 2.9 4.1 5.9 6.8 8.0 |
| 4.0 6.0 8.0 10.0 12.0 | 108 | 4.0 5.0 6.0 9.0 10.0 | 2.9 4.1 5.9 6.8 8.0 | ||||
| 4.0 6.0 8.0 10.0 12.0 | — | — | 2.9 4.1 5.9 6.8 8.0 | ||||
| 150 | 159 | 4. 56.0 8.0 10.0 12.0 | 108 | 4.0 5.0 6.0 9.0 10.0 | 130 | 110 | 4.8 6.6 9.0 10.1 12.2 |
| 4.5 6.0 8.0 10.0 12.0 | 133 | 4.0 5.0 6.0 10.0 12.0 | 4.8 6.6 9.0 10.1 12.2 | ||||
| 4.5 6.0 8.0 10.0 12.0 | — | — | 4.8 6.6 9.0 10.1 12.2 | ||||
| 200 | 219 | 6.0 8.0 10.0 12.0 16.0 | 133 | 5.0 6.0 8.0 10.0 16.0 | 160 | 140 | 10.2 13.8 16.8 19.9 26.6 |
| 6.0 8.0 10.0 12.0 16.0 | 159 | 5.0 6.0 8.0 11.0 12.0 | 10.2 13.8 16.8 19.9 26.6 | ||||
6. 08.0 10.0 12.0 16.0 | — | — | 10.2 13.8 16.8 19.9 26.6 | ||||
| 250 | 273 | 7.0 10.0 12.0 16.0 18.0 | 159 | 4.5 6.0 8.0 11.0 12.0 | 190 | 175 | 18.4 26.0 31.2 41.6 46.8 |
| 7.0 10.0 12.0 16.0 18.0 | 219 | 6.0 8.0 10.0 12.0 16.0 | 18.4 26.0 31.2 41.6 46.8 | ||||
| 7.0 10.0 12.0 16.0 18.0 | — | — | 18.4 26.0 31.2 41.6 46.8 | ||||
| 300 | 325 | 8.0 10.0 12.0 16.0 22.0 | 219 | 6.0 8.0 10.0 12.0 16.0 | 220 | 200 | 27.4 34.2 41. 154.8 75.3 |
| 8.0 10.0 12.0 16.0 22.0 | 273 | 7.0 10.0 12.0 16.0 18.0 | 27.4 34.2 41.1 54.8 75.3 | ||||
| 8.0 10.0 12.0 16.0 22.0 | — | — | 27.4 34.2 41.1 54.8 75.3 | ||||
| 350 | 377 | 10.0 12.0 16.0 20.0 | 273 | 7.0 10.0 12.0 16.0 | 240 | 225 | 46.0 55.2 73.6 92.0 |
| 10.0 12.0 16.0 20.0 | 325 | 8.0 10.0 16.0 18.0 | 46.0 55.2 73.6 92.0 | ||||
| 10.0 12.0 16.0 20.0 | — | — | 46.0 55.2 73.6 92.0 | ||||
| 400 | 426 | 8.0 10.0 12.0 16. 0 | 325 | 8.0 10.0 12.0 16.0 | 270 | 250 | 55.5 66.6 88.8 100.0 |
| 10.0 12.0 16.0 18.0 | 377 | 10.0 12.0 16.0 18.0 | 55.5 66.6 88.8 100.0 | ||||
| 10.0 12.0 16.0 18.0 | — | — | 55.5 66.6 88.8 100.0 |
DN — условный проход;
D — наружный диаметр равнопроходных тройников; больший наружный диаметр переходных тройников;
D1 — меньший наружный диаметр переходных тройников;
Т — толщина стенки детали с диаметром D;
Т1 — толщина стенки детали с диаметром D1;
Тв — толщина стенки скругления магистралей и ответвления;
F – длина от центра отверстия ответвления до плоскости торца отверстия магистралей;
Н – высота между плоскостью торца третьего ответвления и центром отверстия магистрали.
r – наружный радиус скругления магистралей и ответвления.
Оцените нашу статью
[Всего голосов: 1 Рейтинг статьи: 5]
АВТОР СТАТЬИ Редакция E-metall Сайт-агрегатор позволяет искать металл без посредников у конечных поставщиков: владельцев металла и производителей. Данные о наличии и стоимости металла регулярно обновляются и отображаются в единой таблице поиска с удобными фильтрами и сортировкой. С помощью сервиса можно быстро найти металл и связаться с выбранным поставщиком.
Материалы по теме
Покупаете металл? На нашем сервисе вы бесплатно можете увидеть по какой цене, в каком объеме и где именно лежит та или иная позиция из вашей заявки. Мы размещаем наличие 708 проверенных поставщиков без посредников. Каталог
Поставляете металл?
На нашем сервисе вы можете разместить свои складские остатки и начать получать дополнительные обращения от пользователей нашего сервиса.
Разместить наличие
Вы есть в соцсетях?
Подписывайтесь на нас,
следите за новостями и бонусами.
Предложите тему
Мы стараемся писать на самые важные и актуальные темы для вас. Если вы не нашли в нашем блоге статьи на интересующие вас темы, скажите нам об этом.
Предложить тему
Разместите свой материал
Вы можете разместить свою статью рекламного или информационного содержания.
Связаться
AISC A36 Structural Shape Tee Cut From W Shapes Table Chart
AISC A36 Structural Shape Tee Cut from W Shapes Table Chart
Меню конструкционных материалов
AISC Структурная форма Т-образный вырез из W-образной формы
Все значения указаны в дюймах0007
Область
в 2
Высота
d
Толщина
т ш
т ш /2
Зона вертикальной сети
Ширина
b f
Толщина
т ф
к
22×167,5
010
655
220
025
315
770
845
420
335
220
11
080
730
685
220
100
| Связанные ресурсы:
|
Промежуточные состояния: фитинги из углеродистой стали
О нас | Свяжитесь с нами | Места
Сохранение целостности и обслуживания, развитие с помощью технологий.
Сертификат ISO 9001:2008.
- Линейная карта
- Трубопровод
- Привод MTG
- Стим Средний Запад
- ВМ День открытых дверей
Предоставление столика Корпорация Велдбенд
Standard
| 3/4 x 1/2 | 1.05 | 0.113 | 0.824 | 1.12 | 0.84 | 0.109 | 0.622 | 1.12 | 40 | 0.41 | ||||||||||||
| 1 1/2 x 1 1/4 | 1.9 | 0.145 | 1.61 | 2.25 | 1.66 | 0.14 | 1.38 | 2.25 | 40 | 2 | ||||||||||||
| 1 1/2 x 1 | 1.9 | 0.145 | 1.61 | 2.25 | 1.32 | 0.133 | 1.05 | 2.25 | 40 | 1. 9 | ||||||||||||
| 1 1/2 x 3/4 | 1,9 | 0,145 | 1,61 | 2,25 | 1,05 | 0,113 | 0,824 | 0,113 | 0,824 | 0,113 | 0,824 | 0,113 | . | |||||||||
| 1 1/2 x 1/2 | 1,9 | 0,145 | 1,61 | 2,25 | 0,84 | 0,109 | 0,622 | 2,25 | 40 | 1,8 | ||||||||||||
| 1 1/4 x 1 | 1.66 | 0.14 | 1.38 | 1.88 | 1.32 | 0.133 | 1.05 | 1.88 | 40 | 1.3 | ||||||||||||
| 1 1/4 x 3/4 | 1,66 | 0,14 | 1,38 | 1,88 | 3,0930 9 | 3 1,05 | 30931 0,824 | 1,88 | 40 | 1,3 | ||||||||||||
| 1 1/4 x 1/2 | 1.66 | 0.14 | 1.38 | 1.88 | 0.84 | 0. 109 | 0.622 | 1.88 | 40 | 1.3 | ||||||||||||
| 1 x 3/4 | 1.32 | 0.133 | 1.05 | 1.5 | 1.05 | 0.113 | 0.824 | 1.5 | 40 | 0.81 | ||||||||||||
| 1 x 1/2 | 1.32 | 0.133 | 1.05 | 1.5 | 0.84 | 0.109 | 0.622 | 1.5 | 40 | 0.78 | ||||||||||||
| 2 1/2 x 2 | 2.88 | 0.203 | 2.47 | 3 | 2.38 | 0.154 | 2.01 | 2.75 | 40 | 5.4 | ||||||||||||
| 2 1/2 x 1 1/2 | 2,88 | 0,203 | 2,47 | 3 | 1,9 | 0,145 | 1,61 | 2,62 | 5||||||||||||||
| 309 40 | ||||||||||||||||||||||
| 2 1/2 x 1 1/4 | 2.88 | 0.203 | 2.45 | 3 | 1.66 | 0. 14 | 1.38 | 2.5 | 40 | 4.8 | ||||||||||||
| 2 1/2 x 1 | 2,88 | 0,203 | 2,45 | 3 | 1,32 | 0,133 | 1,05 | 2,25 | 40 | 4,6 | ||||||||||||
| 2 x 1 1/2 | 2.38 | 0.154 | 2.07 | 2.5 | 1.9 | 0.145 | 1.61 | 2.38 | 40 | 3.1 | ||||||||||||
| 2 x 1 1/4 | 2.38 | 0.154 | 2.07 | 2.5 | 1.66 | 0.14 | 1.38 | 2.25 | 40 | 3 | ||||||||||||
| 2 x 1 | 2.38 | 0.154 | 2.07 | 2.5 | 1.32 | 0.133 | 1.05 | 2 | 40 | 2.8 | ||||||||||||
| 2 x 3/4 | 2.38 | 0.154 | 2.07 | 2.5 | 1.05 | 0.113 | 0. 824 | 1.75 | 40 | 2.5 | ||||||||||||
| 3 1/2 x 3 | 4 | 0.226 | 3.55 | 3.75 | 3.5 | 0.216 | 3.07 | 3.62 | 40 | 9.8 | ||||||||||||
| 3 1/2 x 2 1/2 | 4 | 0,226 | 3,55 | 3,75 | 2,88 | 0,203 | 2,47 | 0,203 | 2,47 | 0,203 | ||||||||||||
| 3 1/2 x 2 | 4 | 0,226 | 3,55 | 3,75 | 2,38 | 0,154 | 2,07 | 3,25 | 40 | 9,2 | ||||||||||||
| 3 1/2 x 1 1/2 | 4 | 0.226 | 3.55 | 3.75 | 1.9 | 0.145 | 1.61 | 3.12 | 40 | 8.9 | ||||||||||||
| 3 x 2 1/2 | 3,5 | 0,216 | 3,07 | 3,38 | 2,88 | 0,203 | 2,47 | 0,203 | 2,47 | 0,203 | 2,47 | 0303,25 | 40 | 7,2 | ||||||||
| 3 x 2 | 3. 5 | 0.216 | 3.07 | 3.38 | 2.38 | 0.154 | 2.07 | 3 | 40 | 7 | ||||||||||||
| 3 x 1 1/2 | 3.5 | 0.216 | 3.07 | 3.38 | 1.9 | 0.145 | 1.61 | 2.88 | 40 | 6.8 | ||||||||||||
| 3 x 1 1/4 | 3.5 | 0.216 | 3.07 | 3.38 | 1.66 | 0.14 | 1.38 | 2.75 | 40 | 6.6 | ||||||||||||
| 3 x 1 | 3.5 | 0.216 | 3.07 | 3.38 | 1.315 | 0.133 | 1.05 | 2 5/8 | 40 | 6.5 | ||||||||||||
| 4 x 3 1/2 | 4,5 | 0,237 | 4,03 | 4,12 | 4 | 0,226 | 3,55 | 4 | 40 | 11,9 | ||||||||||||
| 4 x 3 | 4.5 | 0. 237 | 4.03 | 4.12 | 3.5 | 0.216 | 3.07 | 3.88 | 40 | 11.6 | ||||||||||||
| 4 x 2 1/2 | 4,5 | 0,237 | 4,03 | 4,12 | 2,0375 0,839 0 | 0 | 2,47 | 3,75 | 40 | 11,4 | ||||||||||||
| 4 x 2 | 4.5 | 0.237 | 4.03 | 4.12 | 2.38 | 0.154 | 2.07 | 3.5 | 40 | 11.2 | ||||||||||||
| 4 x 1 1/2 | 4.5 | 0.237 | 4.03 | 4.12 | 1.9 | 0.145 | 1.61 | 3.38 | 40 | 11.2 | ||||||||||||
| 5 x 4 | 5.56 | 0.258 | 5.05 | 4.88 | 4.5 | 0.237 | 4.03 | 4.62 | 40 | 20.5 | ||||||||||||
| 5 x 3 1/2 | 5.56 | 0.258 | 5. 05 | 4.88 | 4 | 0.226 | 3.55 | 4.5 | 40 | 20 | ||||||||||||
| 5 x 3 | 5,56 | 0,258 | 5,05 | 4,88 | 3,5 | 0,216 | 3,07 | 4,38 | 40 19094 | |||||||||||||
| 5 x 2 1/2 | 5.56 | 0.258 | 5.05 | 4.88 | 2.88 | 0.203 | 2.47 | 4.25 | 40 | 19 | ||||||||||||
| 5 x 2 | 5,56 | 0,258 | 5,01 | 4,88 | 2,38 | 0,154 | 2,07 | 4,12 | 40 | 18,8 | ||||||||||||
| 6 x 5 | 6.62 | 0.28 | 6.07 | 5.62 | 5.62 | 0.258 | 5.05 | 5.38 | 40 | 32 | ||||||||||||
| 6 x 4 | 6.62 | 0.28 | 6.07 | 5.62 | 4. 5 | 0.237 | 4.026 | 5.12 | 40 | 30,5 | ||||||||||||
| 6 x 3 1/2 | 6.62 | 0.28 | 6.07 | 5.62 | 4 | 0.226 | 3.55 | 5 | 40 | 30 | ||||||||||||
| 6 x 3 | 6.62 | 0.28 | 6.07 | 5.62 | 3.5 | 0.216 | 3.07 | 4.88 | 40 | 30 | ||||||||||||
| 6 x 2 1/2 | 6,62 | 0,28 | 6.07 | 5,62 | 2,88 | 0,203 | 2,47 | 4,75 | 40 | 29,77 | ||||||||||||
| 6 x 2 | 6.62 | 0.28 | 6.07 | 5.62 | 2.38 | 0.154 | 2.07 | 4.75 | 40 | 29 | ||||||||||||
| 8 x 6 | 8,62 | 0,322 | 7,981 | 7 | 6,62 | 0,28 | 6,065 | 6,62 | 40 | 56,5 | ||||||||||||
| 8 x 5 | 8. 62 | 0.322 | 7.981 | 7 | 5.56 | 0.258 | 5.047 | 6.38 | 40 | 54 | ||||||||||||
| 8 x 4 | 8.62 | 0.322 | 7.981 | 7 | 4.5 | 0.237 | 4.026 | 6.12 | 40 | 53,2 | ||||||||||||
| 8 x 3 1/2 | 8.62 | 0.322 | 7.981 | 7 | 4 | 0.226 | 3.548 | 6 | 40 | 53 | ||||||||||||
| 8 x 3 | 8.62 | 0.322 | 7.981 | 7 | 3.5 | 0.216 | 3.068 | 6 | 40 | 52 | ||||||||||||
| 10 x 8 | 10,75 | 0,365 | 10,02 | 8,5 | 8,62 | 0,322 | 7,981 | 8 | 40 | 86,5 | ||||||||||||
| 10 x 6 | 10.75 | 0. 365 | 10.02 | 8.5 | 6.62 | 0.28 | 6.065 | 7.62 | 40 | 85.9 | ||||||||||||
| 10 x 5 | 10,75 | 0,365 | 10,02 | 8,5 | 5,56 | 0,258 | 5,047 | 7,5 | 40 | 82,5 | ||||||||||||
| 10 x 4 | 10.75 | 0.365 | 10.02 | 8.5 | 4.5 | 0.237 | 4.026 | 7.25 | 40 | 82 | ||||||||||||
| 10 x 3 | 10.75 | 0.365 | 10.02 | 8.5 | 3.5 | 0.216 | 3.068 | 7.25 | 40 | 79 | ||||||||||||
| 12 x 10 | 12.75 | 0.375 | 12 | 10 | 10.75 | 0.365 | 10.02 | 9.5 | * | 123 | ||||||||||||
| 12 x 8 | 12.75 | 0. 375 | 12 | 10 | 8.62 | 0.322 | 7.981 | 9 | * | 120 | ||||||||||||
| 12 х 6 | 12,75 | 0,375 | 12 | 10 | 6,62 | 0,28 | 6,065 | 8,62 | * | 1 118181 8,62* | * | 1181 1181 8,62* | ||||||||||
| 12 x 5 | 12.75 | 0.375 | 12 | 10 | 5.56 | 0.258 | 5.047 | 8.5 | * | 117 | ||||||||||||
| 12 x 4 | 12,75 | 0,375 | 12 | 10 | 4,5 | 0,237 | 4,026 | 8,5 | * | 112 | ||||||||||||
| 14 x 12 | 14 | 0.375 | 13.25 | 11 | 12.75 | 0.375 | 12 | 10.62 | 30 | 151 | ||||||||||||
| 14 x 10 | 14 | 0,375 | 13,25 | 11 | 10,75 | 0,365 | 10. 02 | 10.1.1012 9.365 | 10.02 | 10.1.1012 | 10.02 | 10.1.1012 9.365 | 10.02 | 10.1.1012 9.0030 | 30 | 148 | ||||||
| 14 x 8 | 14 | 0.375 | 13.25 | 11 | 8.62 | 0.322 | 7.981 | 9.75 | 30 | 146 | ||||||||||||
| 14 x 6 | 14 | 0,375 | 13,25 | 6,62 | 0,28 | 6.065 | 0,28 | . | ||||||||||||||
| 16 х 14 | 16 | 0,375 | 15,25 | 12 | 14 | 0,375 | 13,25 | 12 | 30 | 21 22113 | ||||||||||||
| 16 x 12 | 16 | 0.375 | 15.25 | 12 | 12.75 | 0.375 | 12 | 11.62 | 30 | 213 | ||||||||||||
| 16 x 10 | 16 | 0,375 | 15,25 | 12 | 10,75 | 0,365 | 10,02 | 11,12 | 30 | 197 | ||||||||||||
| 16 x 8 | 16 | 0. 375 | 15.25 | 12 | 8.62 | 0.322 | 7.981 | 10.75 | 30 | 190 | ||||||||||||
| 16 x 6 | 16 | 0,375 | 15.25 | 12 | 6.62 | 0,28 | 6.065 | 0,28 | 6.065 | 1 10,3830 | 180 | |||||||||||
| 18 x 16 | 18 | 0.375 | 17.25 | 13.5 | 16 | 0.375 | 15.25 | 13 | * | 262 | ||||||||||||
| 18 x 14 | 18 | 0.375 | 17.25 | 13.5 | 14 | 0.375 | 13.25 | 13 | * | 248 | ||||||||||||
| 18 x 12 | 18 | 0,375 | 17,25 | 13,5 | 12,75 | 0,375 | 12 | 12,62 | * | 30 3 | . | |||||||||||
| 18 x 10 | 18 | 0. 375 | 17.25 | 13.5 | 10.75 | 0.365 | 10.02 | 12.12 | * | 229 | ||||||||||||
| 18 x 8 | 18 | 0,375 | 17,25 | 13,5 | 8,62 | 0,322 | 7,981 | 11,75 | * | 216 | ||||||||||||
| 20 x 18 | 20 | 0.375 | 19.25 | 15 | 18 | 0.375 | 17.25 | 14.5 | 20 | 352 | ||||||||||||
| 20 x 16 | 20 | 0,375 | 19.25 | 15 | 16 | 0,375 | 15.25 | 0,375 | 15.25 | 0,375 | 15.25 | 0,375 | 0030 | 14 | 20 | 339 | ||||||
| 20 x 14 | 20 | 0.375 | 19.25 | 15 | 14 | 0.375 | 13.25 | 14 | 20 | 327 | ||||||||||||
| 20 x 12 | 20 | 0. 375 | 19.25 | 15 | 12.75 | 0.375 | 12 | 13.62 | 20 | 315 | ||||||||||||
| 20x 10 | 20 | 0,375 | 19.25 | 15 | 10,75 | 0,365 | 10,02 | 13.12 | 20 | 3.13.12 | 902 | 13.12 | 9003. | . | ||||||||
| 20 x 8 | 20 | 0.375 | 19.25 | 15 | 8.62 | 0.322 | 7.981 | 12.75 | 20 | 293 | ||||||||||||
| 24 x 20 | 24 | 0,375 | 23,25 | 17 | 20 | 0,375 | 19,25 | 17 | 20 | 500 | ||||||||||||
| 24 x 18 | 24 | 0.375 | 23.25 | 17 | 18 | 0. 375 | 17.25 | 16.5 | 20 | 487 | ||||||||||||
| 24 x 16 | 24 | 0,375 | 23.25 | 17 | 16 | 0,375 | 15.25 | 0,375 | 15.25 | 0,375 | 15.25 | 0,375 | 15.25 | 0931 1620 | 475 | |||||||
| 24 x 14 | 24 | 0.375 | 23.25 | 17 | 14 | 0.375 | 13.25 | 16 | 20 | 465 | ||||||||||||
| 24 x 12 | 24 | 0.375 | 23.25 | 17 | 12.75 | 0.375 | 12 | 15.62 | 20 | 450 | ||||||||||||
| 24 x 10 | 24 | 0.375 | 23.25 | 17 | 10.75 | 0.365 | 10.02 | 15.12 | 20 | 447 | ||||||||||||
| 30 x 24 | 30 | 0. 38 | 29.24 | 22 | 24 | 0.38 | 23.24 | 21 | * | 795 | ||||||||||||
| 30 x 20 | 30 | 0,38 | 29,24 | 22 | 20 | 0,38 | 19,24 | 20 | * | 749 | ||||||||||||
| 30 x 18 | 30 | 0.38 | 29.24 | 22 | 18 | 0.38 | 17.24 | 19.5 | * | 727 | ||||||||||||
| 36 x 30 | 36 | 0,38 | 35,24 | 26,5 | 30 | 0,38 | 29.24 | 25 9938 | 29.24 | 25 9 | 29,24 | 25 99999 | 29.24 | 25 9931 | 29.24 | 25 9931 | 29.24 | 25 9931 | 29.24 | 0030 | * | 1 207 |
| 36 x 24 | 36 | 0.38 | 35. 24 | 26.5 | 24 | 0.38 | 23.24 | 24 | * | 1,129 | ||||||||||||
| 36 x 20 | 36 | 0.38 | 35.24 | 26.5 | 20 | 0.38 | 19.24 | 23 | * | 1,072 | ||||||||||||
| 36×18 | 36 | 0.38 | 35.24 | 26.5 | 18 | 0.38 | 17.24 | 22.5 | * | 1,136 | ||||||||||||
| 42 x 40 | 42 | 0.38 | 41.24 | 30 | 40 | 0.38 | 39.24 | 28 | * | 1,468 | ||||||||||||
| 42 x 36 | 42 | 0,38 | 41,24 | 30 | 36 | 0,38 | 35,24 | 28 | * | 1415 | ||||||||||||
| 42 x 30 | 42 | 0.38 | 41.24 | 30 | 30 | 0. 38 | 29.24 | 28 | * | 1,327 | ||||||||||||
| 42 x 24 | 42 | 0.38 | 41.24 | 30 | 24 | 0.38 | 23.24 | 26 | * | 1 248 | ||||||||||||
| 48 x 42 | 48 | 0.38 | 47.24 | 35 | 42 | 0.38 | 41.24 | 32 | * | 2,207 | ||||||||||||
| 48 x 38 | 48 | 0.38 | 47.24 | 35 | 38 | 0.38 | 37.24 | 32 | * | 2,154 | ||||||||||||
| 48 x 36 | 48 9* | |||||||||||||||||||||
| 48 x 30 | 48 | 0.38 | 47.24 | 35 | 30 | 0.38 | 29.24 | 30 | * | 2,048 |
Сверхпрочный
| 3/4 x 1/2 | 1,05 | 0,154 | 0,742 | 1,12 | 0,84 | 0,147 | 0,546 | 1,12 | 7,40310 | 0 | 0 | 0 | |||||||||||||||
| 1 1/2 x 1 1/4 | 1. 9 | 0.2 | 1.5 | 2.25 | 1.66 | 0.191 | 1.278 | 2.25 | 80 | 2.4 | |||||||||||||||||
| 1 1/2 x 1 | 1,9 | 0,2 | 1,5 | 2,25 | 1,32 | 0,179 | 0,957 | 2,25 | 80 | 2,3 | |||||||||||||||||
| 1 1/2 x 3/4 | 1.9 | 0.2 | 1.5 | 2.25 | 1.05 | 0.154 | 0.742 | 2.25 | 80 | 2.2 | |||||||||||||||||
| 1 1/2 x 1/2 | 1.9 | 0.2 | 1.5 | 2.25 | 0.84 | 0.147 | 0.546 | 2.25 | 80 | 2.2 | |||||||||||||||||
| 1 1/4 x 1 3/4 | 1,66 | 0,191 | 1,278 | 1,88 | 1,05 | 0,154 | 0,742 | 0,154 | 0,742 | 0,154 | 0,742 | 0,154 | 0,742 | 0,154 | 0,742 | 0,154 | 0,742 | 0,154 | .![]() | ||||||||
| 1 1/4 x 1 | 1.66 | 0.191 | 1.278 | 1.88 | 1.32 | 0.179 | 0.957 | 1.88 | 80 | 1.6 | |||||||||||||||||
| 1 1/4 x 1/2 | 1,66 | 0,191 | 1,278 | 1,88 | 0,84 | 0,147 | 0,546 | 1,88 | 81303030 | 1,6 1,61, | |||||||||||||||||
| 1 x 3/4 | 1.32 | 0.179 | 0.957 | 1.5 | 1.05 | 0.154 | 0.742 | 1.5 | 80 | 0.98 | |||||||||||||||||
| 1 x 1/2 | 1,32 | 0,179 | 0,957 | 1,5 | 0,84 | 0,147 | 0,546 | 1,5 | 80 | 0,92 | |||||||||||||||||
| 2 1/2 x 2 | 2.88 | 0.276 | 2.323 | 3 | 2.38 | 0.218 | 1.939 | 2.75 | 80 | 6. 3 | |||||||||||||||||
| 2 1/2 x 1 1/2 | 2,88 | 0,276 | 2,323 | 3 | 0 | 0 1,9 | 031 1,5 | 2,62 | 80 | 6,2 | |||||||||||||||||
| 2 1/2 x 1 1/4 | 2.88 | 0.276 | 2.323 | 3 | 1.66 | 0.191 | 1.278 | 2.5 | 80 | 6 | |||||||||||||||||
| 2 1/2 x 1 | 2.88 | 0.276 | 2.323 | 3 | 1.32 | 0.179 | 0.957 | 2.25 | 80 | 5.8 | |||||||||||||||||
| 2 x 1 1/2 | 2.38 | 0.218 | 1.939 | 2.5 | 1.9 | 0.2 | 1.5 | 2.38 | 80 | 3.8 | |||||||||||||||||
| 2 x 1 1/4 | 2.38 | 0.218 | 1.939 | 2.5 | 1.66 | 0.191 | 1.278 | 2.25 | 80 | 3. 7 | |||||||||||||||||
| 2 x 1 | 2,38 | 0,218 | 1,939 | 2,5 | 1,32 | 0,179 | 0,957 | 2 | 109309 80 | ||||||||||||||||||
| 2 x 3/4 | 2.38 | 0.218 | 1.939 | 2.5 | 1.05 | 0.154 | 0.742 | 1.75 | 80 | 3.5 | |||||||||||||||||
| 3 1/2 x 3 | 4 | 0,318 | 3,364 | 3,75 | 3,5 | 0,3 | 2,9 | 3,62 | 80 | 12,6 | |||||||||||||||||
| 3 1/2 x 2 1/2 | 4 | 0,318 | 3,364 | 3,75 | 2,88 | 0,276 | 2,323 | 0,276 | 2,323 | 0,276 | |||||||||||||||||
| 3 1/2 x 2 | 4 | 0.318 | 3.364 | 3.75 | 2.38 | 0.218 | 1.939 | 3.25 | 80 | 11,7 | |||||||||||||||||
| 3 1/2 x 1 1/2 | 4 | 0. 318 | 3.364 | 3.75 | 1.9 | 0.2 | 1.5 | 3.12 | 80 | 11.6 | |||||||||||||||||
| 3 x 2 1/2 | 3.5 | 0.3 | 2.9 | 3.38 | 2.88 | 0.276 | 2.323 | 3.25 | 80 | 8.8 | |||||||||||||||||
| 3 х 2 | 3,5 | 0,3 | 2,9 | 3,38 | 2,38 | 0,218 | 1,939 | 3 | 80 | 81 8.66.66.66.6.6.6.6.6.6.663 | |||||||||||||||||
| 3 x 1 1/2 | 3.5 | 0.3 | 2.9 | 3.38 | 1.9 | 0.2 | 1.5 | 2.88 | 80 | 8.1 | |||||||||||||||||
| 3 x 1 1/4 | 3,5 | 0,3 | 2,9 | 3,38 | 1,66 | 0,191 | 1,278 | 2,75 | 80 | 8 | |||||||||||||||||
| 3 x 1 | 3.5 | 0.3 | 2. 9 | 3.38 | 1.32 | 0.179 | 0.957 | 2.62 | 80 | 7.8 | |||||||||||||||||
| 4 x 3 1/2 | 4.5 | 0.337 | 4.026 | 4.12 | 4 | 0.318 | 3.548 | 4 | 80 | 15,7 | |||||||||||||||||
| 4 x 3 | 4.5 | 0.337 | 3.826 | 4.12 | 3.5 | 0.3 | 2.9 | 3.88 | 80 | 15.4 | |||||||||||||||||
| 4 x 2 1/2 | 4.5 | 0.337 | 3.826 | 4.12 | 2.88 | 0.276 | 2.323 | 3.75 | 80 | 15.1 | |||||||||||||||||
| 4 х 2 | 4.5 | 0.337 | 3.826 | 4.12 | 2.38 | 0.218 | 1.939 | 3.5 | 80 | 15.1 | |||||||||||||||||
| 4 x 1 1/2 | 4.5 | 0.337 | 3. 826 | 4.12 | 1.9 | 0.2 | 1.5 | 3.38 | 80 | 15 | |||||||||||||||||
| 5 x 4 | 5,56 | 0,375 | 4,813 | 4,88 | 4,5 | 0,337 | 3,826 | 4,62 | 80 | 25,4 | |||||||||||||||||
| 5 x 3 1/2 | 5.56 | 0.375 | 4.813 | 4.88 | 4 | 0.318 | 3.364 | 4.5 | 80 | 24.8 | |||||||||||||||||
| 5 x 3 | 5.56 | 0.375 | 4.813 | 4.88 | 3.5 | 0.3 | 2.9 | 4,38 | 80 | 24,2 | |||||||||||||||||
| 5 x 2 1/2 | 5.56 | 0.375 | 4.813 | 4.88 | 2.88 | 0.276 | 2.323 | 4.25 | 80 | 23.9 | |||||||||||||||||
| 5 x 2 | 5.56 | 0.375 | 4.813 | 4. 88 | 2.38 | 0.218 | 1.939 | 4.12 | 80 | 23.6 | |||||||||||||||||
| 6 x 5 | 6.62 | 0,432 | 5,761 | 5,62 | 5,56 | 0,375 | 4,81313030 | 0,375 | 4,813130 | 5,375 | 4.813 | 0,375 | 4.813 | 0,375. | |||||||||||||
| 6 x 4 | 6.62 | 0.432 | 5.761 | 5.62 | 4.5 | 0.337 | 3.826 | 5.12 | 80 | 39.3 | |||||||||||||||||
| 6 x 3 1/2 | 6,62 | 0,432 | 5,761 | 5,62 | 4 | 0,318 | 3,364 | 5 | 30980 80 | ||||||||||||||||||
| 6 x 3 | 6.62 | 0.432 | 5.761 | 5.62 | 3.5 | 0.3 | 2.9 | 4.88 | 80 | 38.6 | |||||||||||||||||
| 6 x 2 1/2 | 6,62 | 0,432 | 5,761 | 5,62 | 2,88 | 0,276 | 2,323 | 4,75 | 80 | 38,2 | |||||||||||||||||
| 6 x 2 | 6. 62 | 0.432 | 5.761 | 5.62 | 2.38 | 0.218 | 1.939 | 4.75 | 80 | 37.4 | |||||||||||||||||
| 8 x 6 | 8,62 | 0,5 | 7,62 | 7 | 6,62 | 0,432 | 5,7619 | 6,62 | 5,761130 | 6,62 | 5,761130 | 6,62 | 5,761130 | 6,62 932 | 5,761130 | 6,62 932 | 31 80 | 70,2 | |||||||||
| 8 x 5 | 8.62 | 0.5 | 7.62 | 7 | 5.56 | 0.375 | 4.813 | 6.38 | 80 | 69.4 | |||||||||||||||||
| 8 x 4 | 8.62 | 0.5 | 7.62 | 7 | 4.5 | 0.337 | 3.826 | 6.12 | 80 | 69.2 | |||||||||||||||||
| 8 x 3 1/2 | 8,62 | 0,5 | 7,65 | 7 | 4 | 0,318 | 3,364 | 6 | 80 | 68,6 | |||||||||||||||||
| 8 x 3 | 8. 62 | 0.5 | 7.62 | 7 | 3.5 | 0.3 | 2.9 | 6 | 80 | 68.3 | |||||||||||||||||
| 10 x 8 | 10,75 | 0,5 | 9,75 | 8,5 | 8,62 | 0,5 | 0,7625 | 8 | 60 | 107 | |||||||||||||||||
| 10 x 6 | 10.75 | 0.5 | 9.75 | 8.5 | 6.62 | 0.432 | 5.761 | 7.62 | 60 | 104 | |||||||||||||||||
| 10 x 5 | 10.75 | 0.5 | 9.75 | 8.5 | 5.56 | 0.375 | 4.813 | 7.5 | 60 | 103 | |||||||||||||||||
| 10 x 4 | 10.75 | 0.5 | 9.75 | 8.5 | 4.5 | 0.337 | 3.826 | 7.25 | 60 | 101 | |||||||||||||||||
| 10 x 3 | 10.75 | 0.5 | 9. 75 | 8.5 | 3.5 | 0.3 | 2.9 | 7.25 | 60 | 99 | |||||||||||||||||
| 12 x 10 | 12,75 | 0,5 | 11,75 | 10 | 10,75 | 0,5 | 9,75 | 9,5 | 610930* | ||||||||||||||||||
| 12 x 8 | 12.75 | 0.5 | 11.75 | 10 | 8.62 | 0.5 | 7.625 | 9 | * | 156 | |||||||||||||||||
| 12 x 6 | 12,75 | 0,5 | 11,75 | 10 | 6,62 | 0,49315,761 | 8,62 | * | 151 | ||||||||||||||||||
| 12 x 5 | 12.75 | 0.5 | 11.75 | 10 | 5.56 | 0.375 | 4.813 | 8.5 | * | 149 | |||||||||||||||||
| 12 x 4 | 12.75 | 0.5 | 11.75 | 10 | 4.5 | 0. 337 | 3.826 | 8.5 | 60 | 148 | |||||||||||||||||
| 14 x 12 | 14 | 0.5 | 13 | 11 | 12.75 | 0.5 | 11.75 | 10.62 | * | 210 | |||||||||||||||||
| 14 x 10 | 14 | 0.5 | 13 | 11 | 10.75 | 0.5 | 9.75 | 10.12 | * | 203 | |||||||||||||||||
| 14 x 8 | 14 | 0,5 | 13 | 11 | 8,62 | 0,5 | 7,625 | 9,75 | * | 200 | |||||||||||||||||
| 14 x 6 | 14 | 0.5 | 13 | 11 | 6.62 | 0.432 | 5.761 | 9.38 | * | 196 | |||||||||||||||||
| 16 x 14 | 16 | 0,5 | 15 | 12 | 14 | 0,5 | 13 | 12 | 03040 | 268 | |||||||||||||||||
| 16 x 12 | 16 | 0. 5 | 15 | 12 | 12.75 | 0.5 | 11.75 | 11.62 | 40 | 261 | |||||||||||||||||
| 16 x 10 | 16 | 0,5 | 15 | 12 | 10,75 | 0,5 | 9.75 | 11,113030 | 9.75 | 11.12 | . | ||||||||||||||||
| 16 х 8 | 16 | 0,5 | 15 | 12 | 8,62 | 0,5 | 7,62 | 10,75 | 40 | 240 | |||||||||||||||||
| 16 x 6 | 16 | 0.5 | 15 | 12 | 6.62 | 0.432 | 5.761 | 10.38 | 40 | 235 | |||||||||||||||||
| 18 x 16 | 18 | 0,5 | 17 | 13,5 | 16 | 0,5 | 15 | 13 | * | 348 | |||||||||||||||||
| 18 x 14 | 18 | 0.5 | 17 | 13.5 | 14 | 0. 5 | 13 | 13 | * | 335 | |||||||||||||||||
| 18 x 12 | 18 | 0.5 | 17 | 13.5 | 12.75 | 0.5 | 11.75 | 12.62 | * | 328 | |||||||||||||||||
| 18 x 10 | 18 | 0,5 | 17 | 13,5 | 10,75 | 0,5 | 9.75 | 12,113130 | 9.75 | 12,12 | 9.75 | . | |||||||||||||||
| 18 x 8 | 18 | 0.5 | 17 | 13.5 | 8.62 | 0.5 | 7.62 | 11.75 | * | 300 | |||||||||||||||||
| 20 x 18 | 20 | 0,5 | 19 | 15 | 18 | 0,5 | 17 | 14,5 | 30 | 445 | |||||||||||||||||
| 20 x 16 | 20 | 0.5 | 19 | 15 | 16 | 0.5 | 15 | 14 | 30 | 427 | |||||||||||||||||
| 20 x 14 | 20 | 0,5 | 19 | 15 | 14 | 0,5 | 13 | 14 | 30 | 13 | 14 | 30 | 0030 | 412 | |||||||||||||
| 20 x 12 | 20 | 0. 5 | 19 | 15 | 12.75 | 0.5 | 11.75 | 13.62 | 30 | 397 | |||||||||||||||||
| 20x 10 | 20 | 0,5 | 19 | 15 | 10,75 | 0,5 | 9.75 | 13,12930 | 9.75 | 13,12930 | 9.75 | . | |||||||||||||||
| 20 x 8 | 20 | 0,5 | 19 | 15 | 8,62 | 0,5 | 7,62 | 12,75 | 1 30 | ||||||||||||||||||
| 24 x 20 | 24 | 0,5 | 23 | 17 | 20 | 0,5 | 19 | 17 | * | 1 | 17 | * | 1 | 17 | * | 17 | * | 17 | * | 17 | * | 17 | . | ||||
| 24 x 18 | 24 | 0,5 | 23 | 17 | 20 | 9 3 70,51 900 | 16,5 | * | 588 | ||||||||||||||||||
| 24 x 16 | 24 | 0,5 | 23 | 17 | 16 | 0,5 | 15 | 16 | * | 15 | 16 | * | 16 | * | . | ||||||||||||
| 24 x 14 | 24 | 0.5 | 23 | 17 | 14 | 0.5 | 13 | 16 | * | 565 | |||||||||||||||||
| 24 x 12 | 24 | 0,5 | 23 | 17 | 12,75 | 0,5 | 11,75 | 15,62 | * | 5588 | |||||||||||||||||
| 24 x 10 | 24 | 0.5 | 23 | 17 | 10.75 | 0.5 | 9.75 | 15.12 | * | 550 | |||||||||||||||||
| 30 x 24 | 30 | 0,5 | 29 | 22 | 24 | 0,5 | 23 | 21,5 | * | 994 | |||||||||||||||||
| 30 x 20 | 30 | 0.5 | 29 | 22 | 20 | 0.5 | 19 | 20 | * | 945 | |||||||||||||||||
| 30 x 18 | 30 | 0.5 | 29 | 22 | 18 | 0. 5 | 17 | 19.5 | * | 920 | |||||||||||||||||
| 36 x 30 | 36 | 0,5 | 35 | 26,5 | 30 | 0,5 | 29 | 25 | * | . | |||||||||||||||||
| 36 x 24 | 36 | 0.5 | 35 | 26.5 | 24 | 0.5 | 23 | 24 | * | 1,415 | |||||||||||||||||
| 36 x 20 | 36 | 0,5 | 35 | 26,5 | 20 | 0,5 | 19 | 23 | * | 1 345 | |||||||||||||||||
| 36 x 18 | 36 | 0,5 | 35 | 26,5 | 18 | 0,5 | 17 | 22,5 | 1 *17 | . | |||||||||||||||||
| 42 x 36 | 42 | 0.5 | 41 | 30 | 36 | 0.5 | 35 | 28 | * | 1 709 | |||||||||||||||||
| 42 x 30 | 42 | 0. 5 | 41 | 30 | 30 | 0.5 | 29 | 28 | * | 1,629 | |||||||||||||||||
| 42 x 24 | 42 | 0.5 | 41 | 30 | 24 | 0.5 | 23 | 26 | * | 1,550 | |||||||||||||||||
| 48 x 42 | 48 | 0,5 | 47 | 35 | 42 | 0,5 | 41 | 32 | * | 2 207 | |||||||||||||||||
| 48 x 36 | 48 | 0.5 | 47 | 35 | 36 | 0.5 | 35 | 31 | * | 2,127 | |||||||||||||||||
| 48 x 30 | 48 | 0,5 | 47 | 35 | 30 | 0,5 | 29 | 30 | 931 *2048 | ||||||||||||||||||
— стандартный редукционный и равный тройник Размеры трубного тройника
указаны в ASME B16.
9. См. таблицу ниже для размеров от 1/2″ до 48″. В трубопроводах используются два типа тройников: прямые или равнополочные и переходные тройники. Во время проверки размеров трубного тройника необходимо проверить следующее.
- Диаметр отвода и отвода
- Толщина тройника
- Расстояние между центрами ответвления
- Длина тройника.
Straight / Equal Tee Dimensions
| Pipe Tee Dimensions As Per ASME B16.9 | ||||
| NOMINAL PIPE SIZE | OUTSIDE DIAMETER | CENTER TO END | LENGTH | |
|---|---|---|---|---|
| Inch. | Внешний диаметр | С | M | |
| 1/2 | 21.3 | 25 | 25 | |
| 3/4 | 26.7 | 29 | 29 | |
| 1 | 33.4 | 38 | 38 | |
| 1 1/4 | 42.2 | 48 | 48 | |
| 1 1/2 | 48. 3 | 57 | 57 | |
| 2 | 60.3 | 64 | 64 | |
| 2 1/2 | 73 | 76 | 76 | |
| 3 | 88.9 | 86 | 86 | |
| 3 1/2 | 101.6 | 95 | 95 | |
| 4 | 114.3 | 105 | 105 | |
| 5 | 141.3 | 124 | 124 | |
| 6 | 168.3 | 143 | 143 | |
| 8 | 219.1 | 178 | 178 | |
| 10 | 273.1 | 216 | 216 | |
| 12 | 323.9 | 254 | 254 | |
| 14 | 355.6 | 279 | 279 | |
| 16 | 406.4 | 305 | 305 | |
| 18 | 457.2 | 343 | 343 | |
| 20 | 508 | 381 | 381 | |
| 22 | 559 | 419 | 419 | |
| 24 | 610 | 432 | 432 | |
| 26 | 660 | 495 | 495 | |
| 28 | 711 | 521 | 521 | |
| 30 | 762 | 559 | 559 | |
| 32 | 813 | 597 | 597 | |
| 34 | 864 | 635 | 635 | |
| 36 | 914 | 673 | 673 | |
| 38 | 965 | 711 | 711 | |
| 40 | 1016 | 749 | 749 | |
| 42 | 1067 | 762 | 711 | |
| 44 | 1118 | 813 | 762 | |
| 46 | 1168 | 851 | 800 | |
| 48 | 1219 | 889 | 838 | |
| All Dimensions are in mm | ||||
0
6
6
0
3
8
00
9
4
4
5
2
0
9
0
0
26
6
60
9
00
4
0
7
5
5
0
1
0
9
109
14
824
5
237
05
5
62
365
375
02
375
375
375
375
38
24
38
9
3
7
318
9
826
88
62
62
75
337
5
5
5
5
5
3
9
3
2
3
3
3
9
6
4
06 