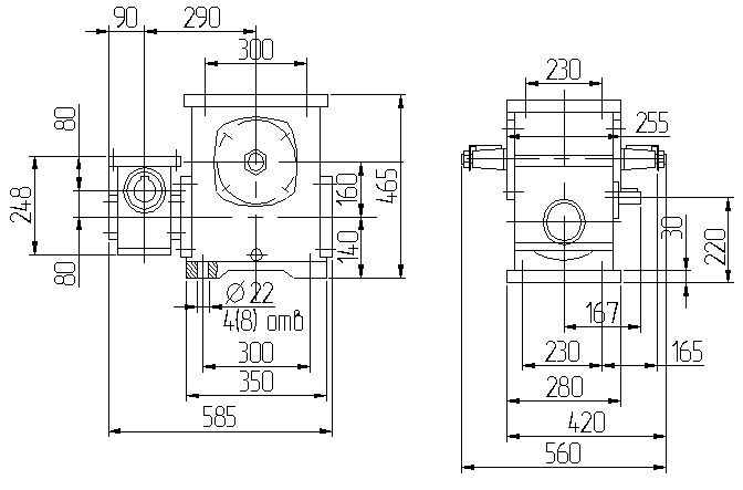
Червячные редукторы
Червячный редуктор – устройство, преобразующее угловую скорость и момент двигателя, используя червячную передачу.
В червячном редукторе увеличение крутящего момента и уменьшение угловой скорости выходного вала происходит за счет преобразования энергии, заключенной в высокой угловой скорости и низком крутящем моменте на входном валу. Двигатель со встроенным червячным редуктором называют червячным мотор-редуктором.
Благодаря своей конструкции, мотор-редукторы с червячной передачей характеризуются плавностью и бесшумностью работы. К достоинствам червячного мотор-редуктора также можно отнести компактность — червячный мотор-редуктор будет значительно меньшего размера по сравнению с аналогичным мотор-редуктором с зубчатой передачей с одним и тем же передаточным числом редуктора. Характерной особенностью червячного мотор-редуктора является свойство самоторможения.
Технические характеристики
| Типоразмер | Передаточное число, u | Частота вращения выходного вала, n2, мин-1 | Номинальный крутящий момент на выходном валу T2, Нм | Допускаемый крутящий момент на выходном валу T2max, Н·м | ||
| редуктор | мотор-редуктор | |||||
| Ч-31.5М | МЧ-31.5М | 5…50 | 28…300 | 8 | Допускается превышение номинального крутящего момента в 1,4. ..2 раза | |
| 2Ч-40М | МЧ-40М | 5..![]() | 9.37…300 | 28…37 | ||
| Ч-50М | МЧ-50М | 50…70 | ||||
| 1Ч-63М, 2Ч-63М | МЧ-63М | 5; 6,3; 8; 10; 12,5; 16; 20; 25; 31, 5; 40; 50; 63; 80 | 7.5…300 | 95…135 | ||
| Ч-80М, 2Ч-80М | МЧ-80М | 150…280 | ||||
| Ч-100М | МЧ-100М | 315…570 | ||||
| Ч-125М | МЧ-125М | 615…1000 | ||||
| Ч-160М | МЧ-160М | 1100…1900 | ||||
| Ч-200М | МЧ-200М | 1600…3100 | ||||
| Ч-250М | МЧ-250М | 2700…5700 | ||||
| Ч-320М | МЧ-320М | 4400. ..10000 | ||||
| Ч-400М | МЧ-400М | 6500…19000 | ||||
| Ч-500М | МЧ-500М | 8200…33000 | ||||
| РЧН-180М | МРЧН-180М | 12.5…50 | 20…90 | 1300…1800 | ||
| РЧП-300М | МРЧП-300М | 16, 25, 50 | 20…40 | 4200 | ||
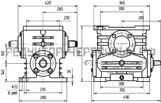
2. Редукторы, мотор-редукторы двухступенчатые Технические характеристики
| Типоразмер | Передаточное число, u | Частота вращения выходного вала, n2, мин-1 | Номинальный крутящий момент на выходном валу T | Допускаемый крутящий момент на выходном валу, T2max | |
| редуктор | мотор-редуктор | ||||
| Ч2-20/31,5М | МЧ2-20/31,5М | 200. ..1600 | 0,9.,7,2 | 8 | Допускается превышение номинального крутящего момента в 1,4. ..2 раза |
| Ч2-40/63М | МЧ2-40/63М | 63; 80; 100; 125; 160; 200; 250; 315; 400; 500; 630; 800; 1000; 1250; 1600; 2000; 2500; 3150; 4000 | 0,375…23,8 | 180…275 | |
| Ч2-40/80М | МЧ2-40/80М | 375…580 | |||
| Ч2-63/100М | МЧ2-63/100М | 0,187…23,8 | 500…875 | ||
| Ч2-80/125М | МЧ2-80/125М | 1000…1500 | |||
| Ч2-80/160М | МЧ2-80/160М | 1900…3500 | |||
| Ч2-100/200М | МЧ2-100/200М | 3800…6400 | |||
| Ч2-125/250М | МЧ2-125/250М | 7000…13000 | |||
| Ч2-160/320М | МЧ2-160/320М | 15400…25500 | |||
| Ч2-200/400М | МЧ2-200/400М | 20300. | |||
| Ч2-250/500М | МЧ2-250/500М | 32400…63200 | |||
| Типоразмер | Передаточное число, u | Частота вращения выходного вала, n2, мин-1 | Номинальный крутящий момент на выходном валу T2, Нм | ||
| редуктор | мотор-редуктор | ||||
| ЦЧ-25М | МЦЧ-25М | 16…200 | 7…85 | 6 | Допускается превышение номинального крутящего момента в 1,4. ..2 раза |
| ЦЧ-31,5М | МЦЧ-31,5М | 8 | |||
| ЦЧ-40М Ц2Ч-40М | МЦЧ-40М МЦ2Ч-40М | 16…160 80…630 | 4,7…93,75 1,2…18,75 | 31 ..50 38…55 | |
| ЦЧ-50М Ц2Ч-50М | МЦЧ-50М МЦ2Ч-50М | 16; 20; 25; 31,5; 40; 50; 63; 80; 100; 125; 160; 200; 250; 315; 400; 500; 630 | 3…93,75 1,2…18,75 | 62…93 93…109 | |
| ЦЧ-63М Ц2Ч-63М | МЦЧ-63М МЦ2Ч-63М | 100…180 168…197 | |||
| ЦЧ-80М Ц2Ч-80М | МЦЧ-80М МЦ2Ч-80М | 200…400 380…430 | |||
| ЦЧ-100М Ц2Ч-100М | МЦЧ-100М МЦ2Ч-100М | 400…770 680…805 | |||
| ЦЧ-125М Ц2Ч-125М | МЦЧ-125М МЦ2Ч-125М | 700…1400 1130…2000 | |||
| ЦЧ-160М Ц2Ч-160М | МЦЧ-160М МЦ2Ч-160М | 1500…3000 2100…3000 | |||
| ЦЧ-200М Ц2Ч-200М | МЦЧ-200М МЦ2Ч-200М | 2300. ..4600 2800…5000 | |||
| ЦЧ-250М Ц2Ч-250М | МЦЧ-250М МЦ2Ч-250М | 4400…8200 4800…8500 | |||
| ЦЧ-320М Ц2Ч-320М | МЦЧ-320М МЦ2Ч-320М | 7800…14800 8200…15100 | |||
| ЦЧ-400М Ц2Ч-400М | МЦЧ-400М МЦ2Ч-400М | 11100…29000 11500…29300 | |||
| ЦЧ-500М Ц2Ч-500М | МЦЧ-500М МЦ2Ч-500М | 14600…48500 15000…48500 | |||
Технические характеристики
| Типоразмер | Передаточное число, u | Частота вращения выходного вала, n2, мин-1 | Номинальный крутящий момент на выходном валу T2, Нм | Допускаемый крутящий момент на выходном валу, T2max | |
| редуктор | мотор-редуктор | ||||
| ЦЧ2-40/63М | МЦЧ2-40/63М | 63; 80; 100; 125; 160; 200; 250; 315; 400; 500; 630; 800; 1000; 1250; 1600 | 0,47. ..23,8 | 200…285 | Допускается превышение номинального крутящего момента в 1 ,4. ..2 раза |
| ЦЧ2-40/80М | МЦЧ2-40/80М | 410…610 | |||
| ЦЧ2-63/100М | МЦЧ2-63/100М | 770..980 | |||
| ЦЧ2-80/125М | МЦЧ2-80/125М | 1200…1575 | |||
| ЦЧ2-80/160М | МЦЧ2-80/160М | 2400…3680 | |||
| ЦЧ2-100/200М | МЦЧ2-100/200М | 4450…6800 | |||
| ЦЧ2-125/250М | МЦЧ2-125/250М | 8630…15850 | |||
| ЦЧ2-160/320М | МЦЧ2-160/320М | 1500…26100 | |||
| ЦЧ2-200/400М | МЦЧ2-200/400М | 25550…45300 | |||
| ЦЧ2-250/500М | МЦЧ2-250/500М | 40280…69300 | |||
Технические характеристики
| Типоразмер | Передаточное число, u | Частота вращения выходного вала, n2 | Допускаемый крутящий момент на выходном валу, T2max, Нм | |
| редуктор | мотор-редуктор | |||
| Чг-63 | МЧг — 63 | 8; 10; 12,5; 16; 20; 25; 31,5; 40; 50; 63; 80 | 9,4. ..187,5 | 83…138 |
| Чг-80 | МЧг — 80 | 150…300 | ||
| Чг-100 | МЧг -100 | 300…575 | ||
| Чг-125 | МЧг -125 | 615…1000 | ||
| Чг-160 | МЧг -160 | 1100…1600 | ||
| Чг — 200 | МЧг -200 | 1660…2930 | ||
| Чг — 250 | МЧг -250 | 2715…5715 | ||
| Чг — 320 | МЧг -320 | 4430…10610 | ||
| Чг-400 | МЧг -400 | 6570…15235 | ||
| Чг — 500 | МЧг -500 | 7790…25565 | ||
| Чг — 630 | МЧг -630 | 8000…29000 | ||
Редукторы, мотор-редукторы: ООО «Приводные технологии»
+7 (495) 369- 04- 89 +7 (910) 726- 725- 4 +375 (17) 272- 04- 08 +375 (29) 61- 787- 61 [email protected]
Редукторы, мотор-редукторы, редукторные механизмы:
червячные редукторы, цилиндрические редукторы, конические редукторы,
планетарные редукторы.
Бытовая и промышленная приводная техника:
мини редукторы, электродвигатели, двигатели постоянного тока, DC моторы,
шаговые двигатели, устройства плавного пуска, частотные преобразователи.
Вариаторы, мотор-барабаны, редукторы для смесителей, сервоприводы.
| о компании | |||||||||
Приводные Технологии — развивающаяся компания малого бизнеса, основным видом деятельности которой является производство, маркетинг и промоушинг, бытовой и промышленной, доступной и надежной приводной техники. Интеграция новейших технологий современного редукторостроения к отечественным условиям производства, — особенность наших технических решений, предлагаемых рынку. Современные запросы приводов стали более требовательны к механической передаточной части, к подводимому электрическому оборудованию, к последующим приводным муфтам и др. Наши предложения редукторных мини-моторов, редукторных узлов и силовых передаточных машин предназначены для эксплуатации в разных отраслях, для достижения различных целей, с любым набором требований и т. | |||||||||
|
| ||||||||
* Копирование информации с сайта запрещено законом об авторском праве.
© 2022 Приводные технологии
Российская Федерация
+7 (495) 369-04-89
+7 (910) 726-725-4 (МТС) Смоленск
Республика Беларусь
+375 17 272-04-08 (т/ф) Минск
+375 29 61-787-61 (Velcom) Минск
tech-privod.com
Сайт работает на платформе Nestorclub.com
Передаточное число редуктора
Передаточное отношение — это соотношение угловых скоростей или крутящих моментов валов (в зависимости от строения механизма).
Передачи применяются для того, чтобы передать вращающий момент от электродвигателя к исполнительному устройству. Почему это необходимо? Дело в том, что сам мотор обычно не может передать требуемый вращающий момент, кроме того, частота вращения вала электродвигателя оказывается слишком велика, поэтому её надо понизить. Для этого и сконструированы понижающие передачи, редукторы. Таким образом удаётся изменить сразу и частоту вращения вала, и крутящий момент.
Передачи с крутящим моментом
Механизм передачи крутящего момента — редуктор — имеет входной и выходной валы.
Существует два способа передачи вращающего момента: жёсткий (момент передается жесткими звеньями, например, шестернями) и фрикционный (момент передается силами трения, работающих на поверхностях вала, например, ременная передача). Также есть возможность совмещать эти способы передачи.
Характеристика зубчатой передачи редуктора
– это механизм, состоящих из отдельных звеньев для передачи мощности через вращение зубчатых колёс.
Такую зубчатую передачу используют в механических редукторах для преобразования движения.
Зубчатые редукторы очень часто задействуют в машиностроении. Именно их выбирают благодаря большому количеству преимуществ: высокому КПД, долгому сроку службы механизма, маленьким габаритам, постоянству передаточного отношения, простой и надёжной конструкции.
Также у этих редукторов есть и недостатки. К ним относят шум при больших скоростях и большие размеры редукторов, если передаточные отношения велики. Тем не менее, плюсов их использования гораздо больше, чем минусов, что и определяет итоговую востребованность.
Многоступенчатые редукторы
Как известно, современные электродвигатели выдают частоту ведущего вала примерно в районе полутора тысячи (1500) оборотов в минуту. А конечным потребителям в цепочке передачи движения обычно требуется куда меньшая частота. Стоит рассмотреть для лучшего понимания на конкретном примере.
Возьмём, скажем, ленту транспортёра. Она движется медленно. Как же сделать так, чтобы надежно передать вращающий момент от электродвигателя к конечному устройству?
Здесь на помощь как раз и придут многоступенчатые редукторы. Наличие нескольких ступеней позволяет сделать компактное устройство, значительно снижающее частоту вращения вала.
Как правильно рассчитать передаточное число
Передаточное число многоступенчатого редуктора вычисляется как произведение передаточных чисел каждой ступени. Пример. В редукторе четыре зубчатые пары, передаточные отношения каждой из которых тоже равны 4. Общее передаточное число тогда будет равно 4х4х4х4 = 256.
В общем случае общее передаточное отношение редуктора равно отношению частоты вращения входного (ведущего) вала и частоты вращения ведомого (выходного) вала. Отсюда следует, что если выходной вал вращается медленнее входного, то передаточное отношение будет больше единицы.
Такие передачи называют понижающими. Если же скорость выходного вала будет выше скорости входного вала, то передаточное число будет меньше единицы. В этом случае говорят о повышающей передаче или мультипликаторе.
При передаче движения всегда соответственно меняется и крутящий момент: если передача понижающая, то момент увеличивается, если повышающая, то уменьшается. Поэтому передаточное число можно представить как отношение крутящего момента на выходе к крутящему моменту на входе в редуктор.
Расчёт без учета сопротивления
Любой редуктор состоит из зубчатых пар. Чтобы рассчитать передаточное число каждой пары, надо разделить количество зубьев ведущего колеса на количество зубьев ведомого колеса.
Важно! При этом надо смотреть, меняется ли направление вращения шестеренки. Если меняется, то передаточное отношение принимается со знаком минус, если не меняется, то плюс.Направление вращения не меняется, если у колеса нарезка зубьев сделана внутри колеса.
Если в передаче участвует так называемая паразитка, то она в расчете передаточного отношения не участвует, так как ее задача лишь менять направление движения.
Также при расчете передаточных отношений можно использовать наружный диаметр шестерни. Иногда это удобно, если посчитать число зубьев затруднительно. Важно: зубчатая передача жесткая, здесь нет проскальзывания, как в ременной передаче, поэтому передаточное число всегда можно рассчитать с абсолютной точностью.
Если в редукторе применен червячный редуктор, то его передаточное отношение определяется как отношение числа зубьев ведущего колеса к числу заходов (витков) червяка. Чаще всего у червяка один заход, поэтому ясно: передаточное отношение червячной пары огромно, а вращающий момент может повышаться в десятки раз.
КПД зубчатой передачи
Преимуществами данной передачи считаются:
- Большая и неограниченная мощность.

- Небольшая масса и габариты.
- Большой коэффициент полезного действия (приблизительно 0,95-0,99).
- Надёжны, но нуждаются в большой точности изготовления.
КПД определяется как отношение реально полученной энергии к потребленной. Чем выше КПД механизма, тем больше энергии преобразовывается на полезные цели, тем меньше потери, тем эффективнее механизм.
Учёные всего мира постоянно ведут борьбу именно за сокращение непроизводительных потерь. Чтобы обеспечить хорошую работу машины с большим КПД, можно использовать масла с различными свойствами при больших изменениях температуры среды. При экспериментах с различными видами масла совместно с допустимой нагрузочной способности зубчатых передач на рабочих поверхностях зубьев не обнаружили развитие процесса разрушения, что обеспечивает отличные технико-экономические показатели машины.
Важно! КПД зубчатой передачи сильно зависит от точности изготовления зубчатых колес.
В случае грубых нарушений геометрии в редукторе будут большие расходы энергии, он будет нагреваться, его КПД значительно упадёт. Поэтому редукторы следует приобретать только у проверенных производителей.
Постоянное и переменное передаточное отношение редуктора
Передаточное отношение может быть как постоянным, так и переменным. При переменном случае оно может меняться бесступенчато или ступенчато. В промышленности нашли применение обе эти схемы. Если передаточное число меняется плавно, то такое устройство называют вариатором. Эти устройства дороги и требуют точной сборки и квалифицированного обслуживания. Но всё это оправдывается конечным результатом — их полезность уже проверена временем.
Редукторы с прямоугольным червячным редуктором
Фильтровать по категории Сузить по категориям
- Редукторы скорости (148 265 шт.)
- Прямоугольные редукторы скорости
- Редукторы с прямоугольным червячным редуктором
- Редукторы с червячной передачей, состоящие из трех частей
- Червячные редукторы с входным хомутом
- Червячные редукторы с пинольным входом
- Червячные редукторы с твердым входным валом
- Редукторы с прямоугольным червячным редуктором
- Прямоугольные редукторы скорости
по бренду Сузить по бренду
Все
Бонфильоли (11 шт.
)Boston Gear (8017 шт.)
Браунинг (96 шт.)
Додж (10165 шт.)
Electra/Grove Gear (36269 шт.)
HubCity (17400 шт.)
Продукция HUCO (1 шт.)
Морзе (3789 шт.)
Поставка ТОиР (2 шт.)
Nord Gear (229 шт.)
Rexnord (1780 шт.
)SEW Eurodrive (3 шт.)
Стерлинг Электрик (6 шт.)
ТБ Вудс (11 шт.)
US Motors (2 шт.)
Инструмент Уитни (1 шт.)
Винсмит (16845 шт.)
WorldWide Electric (324 позиции)
Zero-Max (24 шт.)
по базовой модели Уточнить по базовой модели
Все
Фланец полый выходной (1903 шт.
)Безногая твердая продукция (1575 шт.)
Вертикальный выходной вал (1190 шт.)
Червяк сверху (1946 шт.)
по центральному расстоянию Узкий по центральному расстоянию
Все
1,3 дюйма (1280 шт.)
1,8 дюйма (2854 шт.)
2″ (1172 шт.)
2,00″ (1257 шт.)
2,1 дюйма (4297 шт.
)2,1 дюйма (1189шт)
2,3″ (1590 шт.)
2,375″ (1328 шт.)
2,4 дюйма (4753 шт.)
2,6 дюйма (4661 шт.)
2,6″ (2992 шт.)
2,625″ (1537 шт.)
3 дюйма (3942 шт.)
3″ (1630 шт.)
3,00 дюйма (1369шт)
3,2 дюйма (6913 шт.
)3,2″ (1285 шт.)
3,5″ (858 шт.)
3,50″ (1239 шт.)
4,2 дюйма (5121 шт.)
5,2 дюйма (5523 шт.)
6 дюймов (1485 шт.)
по финишу Сузить по финишу
Все
Зеленый (1947 шт.)
Серебристо-серая эпоксидная смола (1424 шт.)
Белая эпоксидная смола (3011 шт.
)
по вводу Сузить по вводу
Все
140TC Фланец (3230 шт.)
Фланец 180TC (1423 шт.)
Фланец 56C (3723 шт.)
по входному фланцу Узкий входной фланец
Все
140ТС (11539 шт.)
143-5ТК (1198 шт.)
180ТС (7562 шт.)
182-4ТК (1071 шт.
)210ТС (4279 шт.)
250ТС (1933 шт.)
48С (1285 шт.)
56С (16559 шт.)
Нет (1871 шт.)
по входным оборотам Сужение по входным оборотам
Все
100 (1191 шт.)
1170 (1175 шт.)
1750 (1339шт)
2500 (1580 шт.
)
по размеру ввода Ограничение по размеру ввода
Все
140ТС (1456 шт.)
56С (3996 шт.)
по стилю ввода Сузить по стилю ввода
Все
Соединение из 3-х частей (13754 шт.)
С-образный фланец с адаптером двигателя (1376 шт.)
С-образный фланец с адаптером двигателя Quill (5874 шт.)
Безмоторный (1603 шт.
)Перо (15840 шт.)
Сплошной первичный вал (3761 шт.)
по стилю ввода Сузить по стилю ввода
Все
Соединение из 3-х частей (4273 шт.)
Перо (12742 шт.)
Сплошной первичный вал (3277 шт.)
по типу ввода Сузить по типу ввода
по размеру корпуса двигателя Ограничение по размеру корпуса двигателя
Все
143-145ТС/182-184С (2149 шт.
)182-184ТК (854 шт.)
56С (4100 шт.)
Нет (Входной вал) (1603 шт.)
по выходу Сузить по выходу
Все
Двойной сплошной вторичный вал (2079 шт.)
Полый (29640 шт.)
Полое отверстие (3039 шт.)
Левый (6576 шт.)
Левый и правый (4874 шт.
)Левый сплошной вторичный вал (2337 шт.)
Правая (5586 шт.)
Правый сплошной вторичный вал (2304 шт.)
по выходному отверстию/диаметру вала Узкий по выходному отверстию/диаметру вала
Все
1″ (859 шт.)
1,25″ (2232 шт.)
1,5″ (1081 шт.)
по типу вывода Сузить по типу вывода
Все
Полое отверстие (3010 шт.
)Сплошной вторичный вал (4864 шт.)
краской/покрытием Сужение по краске/покрытию
Все
Алюминий (8774 шт.)
Синий (23169 шт.)
Серый (9460 шт.)
Зеленый (5080 шт.)
Нержавеющая сталь (4343 шт.)
Белый (3567 шт.)
по соотношению Узкий по соотношению
Все
10 к 1 (661 шт.
)5 к 1 (639 шт.)
7 к 1 (646 шт.)
по сокращению Сужение по сокращению
Все
Двухместный (1670 шт.)
Одноместный (5511 шт.)
по расположению вала Узкий по расположению вала
Все
Ведомая машина справа (630 шт.)
Сплошной наружный — двойной наружный (1128 шт.)
Сплошной наружный — левый наружный (1426 шт.
)Сплошной наружный — правый наружный (1711 шт.)
Симметричный вал (1132 шт.)
по выступу вала Узкий по выступу вала
Все
Левая сторона (2110 шт.)
Правая сторона (1218 шт.)
Преимущества червячных редукторов
Чак Рассел, старший главный инженер, Dodge Gearing, Baldor
Когда для оборудования требуется низкая входная скорость и высокий крутящий момент, обычно используется электродвигатель, соединенный с промышленным редуктором. редуктор для обеспечения необходимой скорости и крутящего момента. Редуктор умножает выходной крутящий момент, исходящий от двигателя, и снижает выходную скорость двигателя на тот же коэффициент.
Существует множество различных типов промышленных редукторов, из которых можно выбирать. Внутри этих редукторов могут использоваться червячные, косозубые или конические шестерни для увеличения крутящего момента и снижения выходной скорости. Один из самых популярных типов зубчатых редукторов основан на червячных передачах.
Крутящий момент и цена покупки
Когда покупатель выбирает редуктор, одним из наиболее важных критериев принятия решения является соотношение между стоимостью редуктора и величиной крутящего момента, создаваемого выходным валом. Червячные редукторы являются лидерами, когда речь идет о сравнении стоимости и крутящего момента. Основным фактором, влияющим на конкурентоспособность червячных редукторов по стоимости, является общее передаточное число редуктора — количество оборотов входного вала, которое приводит к одному обороту выходного вала. Большинство производителей червячных редукторов предлагают передаточное число до 60:1 в одной ступени редуктора, а некоторые предлагают даже более высокие передаточные отношения.
Только с одной ступенью редуктора связанные с ним многочисленные валы, подшипники, проставки и другое оборудование, которое было бы в многоступенчатом редукторе не требуются. Типично для винтового или конического редуктора 60:1 иметь 3 ступени передачи по сравнению с одной ступенью передачи в червячном редукторе. Шестерни, подшипники и валы являются самыми дорогими деталями в полном редукторе. Благодаря меньшему количеству этих компонентов червячные редукторы стоят меньше, чем другие типы зубчатых редукторов.
Наличие и Унифицированность
Большинство отечественных производителей червячных редукторов хранят значительное количество редукторов на своих складах. В дополнение к легкодоступному инвентарю, основные производители червячных редукторов в стране также имеют общие размеры по критическим монтажным размерам. Эти критические размеры включают:
- диаметр и длину выходного вала;
- размер монтажного отверстия и расположение в корпусе;
- высота выходного вала;
- габаритная высота корпуса редуктора.

Предлагаемые передаточные числа также стандартизированы производителями. Некоторые производители увеличили номинальный выходной и входной крутящий момент своей продукции за счет улучшенной конструкции зубчатых колес, а также использования материалов с высокими эксплуатационными характеристиками и синтетических смазочных материалов. Это увеличение входного и выходного крутящего момента позволяет легко заменить старый редуктор новым редуктором другого производителя. Увеличенные номинальные значения обеспечивают больший коэффициент эксплуатации и более длительный срок службы, чем заменяемый редуктор.
Варианты монтажа и особенности
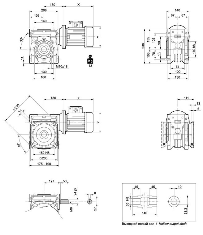
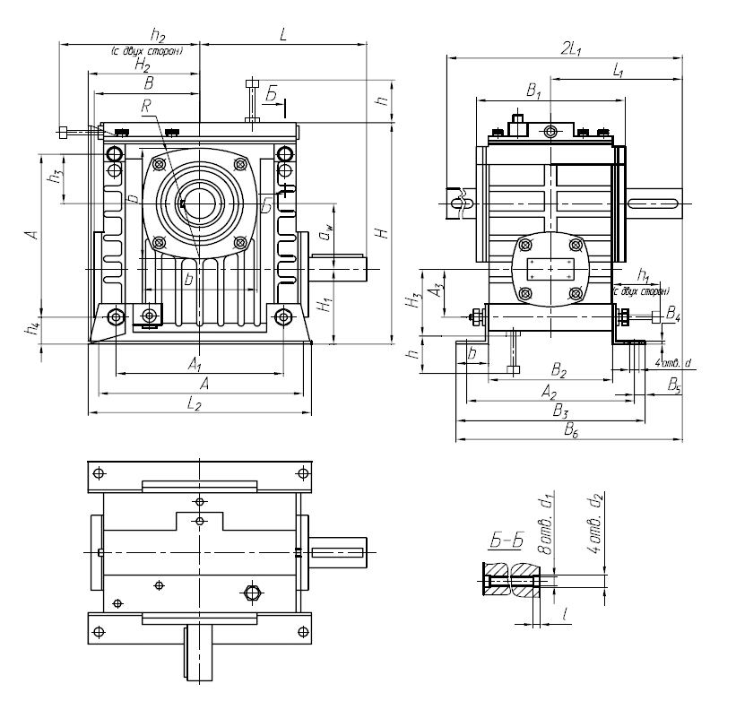
Червячная передача в червячном редукторе проходит под углом 90 градусов к входному червячному валу. Поскольку червячная передача установлена на выходном валу, а вал расположен под углом 90 градусов к входному, оба конца выходного вала доступны для использования в приложении. Доступные распространенные конфигурации выходного вала включают одинарные и двойные удлиненные сплошные валы, а также полые выходные валы.
Использование полых выходных валов становится все более распространенным на внутреннем рынке США, поскольку они предлагают несколько преимуществ по сравнению со сплошным выходным валом. OEM-производитель оборудования может удлинить приводной вал на относительно короткое расстояние и установить червячный редуктор с полым отверстием на удлиненный вал. Этот метод монтажа устраняет необходимость в цепях, ремнях или другом оборудовании для передачи крутящего момента от редуктора со сплошным валом к устройству. Защита упрощается, а техническое обслуживание, обычно требуемое для цепей и ремней, исключается. Некоторые производители предлагают герметичный редуктор на весь срок службы, который не требует вентиляционной пробки или изменения уровня масла для различных монтажных положений. Эти функции позволяют выполнять монтаж в нескольких положениях без необходимости перемещать сапун или добавлять смазочное масло. Из-за популярности червячных редукторов и множества различных применений они доступны в стандартных комплектах и комплектах для промывки в пищевой промышленности, имеют входы C-образной поверхности для стандартных двигателей NEMA и имеют несколько вариантов, таких как монтажные фланцы и основания.
Один аспект червячной передачи, которую следует избегать, — это функция самоблокировки, которую теоретически могут предложить некоторые передаточные числа. Из-за множества переменных, влияющих на способность редуктора к самоблокировке, большинство производителей рекомендуют использовать двигатель с тормозом или другие средства для предотвращения обратного хода редуктора, если это необходимо. Long Life Промышленные червячные редукторы используют зубчатую передачу, состоящую из закаленного червяка, вращающегося с червячной передачей, изготовленной из более мягкого материала. Более мягкий материал представляет собой бронзовый сплав, выбранный с учетом износа. В отличие от закаленных косозубых или конических зубчатых колес, червячные зубчатые колеса рассчитаны на «изнашивание» с течением времени. Некоторые люди думают, что изнашивание червячного колеса приведет к более короткому сроку службы, чем у других типов зубчатых колес. Однако износ бронзовой червячной передачи существенно снижается после окончания периода приработки.
Когда производители червячных передач выбирают бронзовый материал, они уравновешивают устойчивость бронзы к износу с течением времени и способность к притиранию. В процессе приработки температура червячной передачи временно повышается. Более мягкая бронза изнашивается быстрее при более низких температурах обкатки, но не так долго. Более твердая бронза прослужит дольше, но будет генерировать более высокие температуры приработки. Более твердая бронза является лучшим компромиссом между износом и износом. При правильном выборе размера червячные редукторы служат, по крайней мере, столько же, сколько и другие типы зубчатых передач. Преимущества по шуму
Все типы зубчатых редукторов создают определенный уровень шума в зависимости от типа используемой передачи, точности передачи, уровня качества производственных процессов и конструкции изделия. Червячные редукторы имеют множество преимуществ в плане шума. Зубья шестерен в червячных редукторах работают путем скольжения, соприкасаясь друг с другом.
Это скользящее действие позволяет избежать резкого контакта зубьев, который может возникнуть в косозубых или конических зубчатых передачах. В дополнение к преимуществам скольжения в зацепление, хорошо спроектированные червячные редукторы имеют больше зубьев, контактирующих с зубчатым зацеплением, по сравнению со спиральным или коническим редуктором, что приводит к более низкому уровню шума. Кроме того, червячные редукторы обычно имеют только один набор шестерен. , и этот один набор производит меньше шума, чем несколько наборов шестерен, необходимых в косозубых и конических редукторах. Меньшее количество подшипников также помогает снизить уровень шума в червячных редукторах. Заключение В целом, зубчатые редукторы с червячными передачами обладают многочисленными преимуществами по сравнению с косозубыми и коническими передачами. Червячные редукторы имеют низкое соотношение цены и крутящего момента, а отечественные модели легко доступны и взаимозаменяемы. Установка червячного редуктора под углом 90 градусов, а также полый выходной вал и варианты с уплотнением на весь срок службы делают червячные редукторы пригодными для множества применений.
Кроме того, большой срок службы и пониженный уровень шума зубчатых редукторов с червячной передачей способствовали их популярности.
Плеточный фонарик утечки утечки ультрафиолетов УФ-светодиоды Лампы Post-Top Intigo: новое поколение компактных, энергоэффективных ламп с высоким световым потоком
7 октября 2022 г.
Приложение SmartTV и облачный сервис для создания белых досок SmartTV и управления ими
6 октября 2022 г.
Китайский производитель редукторов, червячных редукторов, поставщиков планетарных редукторов
Горячие продукты
Видео
Свяжитесь сейчас
Видео
Свяжитесь сейчас
Видео
Свяжитесь сейчас
Видео
Свяжитесь сейчас
Видео
Свяжитесь сейчас
Видео
Свяжитесь сейчас
Видео
Свяжитесь сейчас
Видео
Свяжитесь сейчас
Видео
Свяжитесь сейчас
Видео
Свяжитесь сейчас
Популярные продукты
Видео
Свяжитесь сейчас
Видео
Свяжитесь сейчас
Видео
Свяжитесь сейчас
Видео
Свяжитесь сейчас
Видео
Свяжитесь сейчас
Видео
Свяжитесь сейчас
Видео
Свяжитесь сейчас
Видео
Свяжитесь сейчас
Видео
Свяжитесь сейчас
Видео
Свяжитесь сейчас
Рекомендация столбца
Видео
Свяжитесь сейчас
Видео
Свяжитесь сейчас
Видео
Свяжитесь сейчас
Видео
Свяжитесь сейчас
Видео
Свяжитесь сейчас
Видео
Свяжитесь сейчас
Видео
Свяжитесь сейчас
Видео
Свяжитесь сейчас
Видео
Свяжитесь сейчас
Видео
Свяжитесь сейчас
Рекомендация продавца
Видео
Свяжитесь сейчас
Видео
Свяжитесь сейчас
Видео
Свяжитесь сейчас
Видео
Свяжитесь сейчас
Видео
Свяжитесь сейчас
Видео
Свяжитесь сейчас
Видео
Свяжитесь сейчас
Видео
Свяжитесь сейчас
Видео
Свяжитесь сейчас
Видео
Свяжитесь сейчас
Профиль компании
{{ util.
each(imageUrls, функция(imageUrl){}}
{{ }) }}
{{ если (изображениеUrls.length > 1){ }}
{{ } }}
| Вид бизнеса: | Производитель/завод, группа компаний | |
| Деловой диапазон: | Промышленное оборудование и компоненты, Производственное и технологическое оборудование | |
| Основные продукты: | Коробка передач
,
Червячный редуктор
,
Планетарная коробка передач
,
Зубчатые редукторы
,
Промышленная коробка передач
,
Спиральный . .. | |
| Сертификация системы менеджмента: | ИСО 9001 | |
| Условия платежа: | ЛК, Т/Т, Д/П, западное соединение | |
| Среднее время выполнения: | Время выполнения заказа в сезон пиковой нагрузки: в течение 15 рабочих дней Время выполнения заказа в межсезонье: в течение 15 рабочих дней |
Высокое качество продукции, широкое производство и гибкая структура являются сильными сторонами Aokman®.
Aokman® — профессиональный производитель коробок передач в Китае, основанный в 1982, специализируется на исследованиях, разработках и производстве редукторов с валом, стандартных редукторов, червячных редукторов, планетарных редукторов, промышленных редукторов, циклоидальных редукторов, индивидуальных редукторов и мотор-редукторов.
Мы можем предложить подходящее решение для бесчисленных приложений. Наши продукты широко используются в диапазоне …
Посмотреть все
Заводской
20 шт.NILES Профильные шлифовальные станки
Зубошлифовальный станок с ЧПУ — — Немецкий NILES ZP20
Зубошлифовальный станок с ЧПУ — — Немецкий NILES ZP30
Зубошлифовальный станок с ЧПУ — — Немецкий NILES ZE1200
NILES Профильные шлифовальные станки
Центр обработки коробок передач
Большой станок для сверления и фрезерования полов
Сверлильно-фрезерный станок с ЧПУ для пола — — TK6916
Двойной строгальный станок с цифровым дисплеем, расточно-фрезерный станок — — TX65132
Машина для проверки зубчатых колес Gleason 1500GMS
Трехкоординатный измерительный прибор
Термическая обработка — Австрия Универсальная печь коробчатого типа
Термическая обработка — Австрия Универсальная печь коробчатого типа
Термическая обработка – – Шахтная печь науглероживания
Термическая обработка – – Шахтная печь науглероживания
Мастерская
Автоматизированный склад
Автоматизированный склад
Автоматизированный склад
Цех покраски редукторов
Отправьте сообщение этому поставщику
* От:
* Кому:
г-н Лейн Чжао
* Сообщение:
Введите от 20 до 4000 символов.

..10000
..1600
..2 раза
..4600 2800…5000
..23,8
..187,5
д. Помимо всего этого, имеется широкий выбор электрических устройств для оперативного контроля и регулирования режимов работы привода, — так называемая, область приводной электроники. подробнее
Представляем продукцию одного из … подробнее
.. 90 об/мин
5T
Направление вращения не меняется, если у колеса нарезка зубьев сделана внутри колеса.

)
)
)
)
)
)
)
)
)
)
)
)
)
..